Q-632 Q‑Motion® Rotation Stage
Compact Through Piezo Motor: 30 mm Turntable Diameter
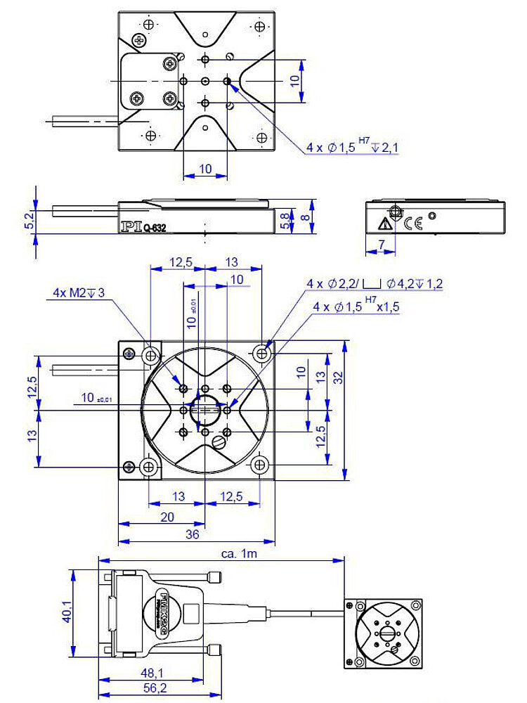
- Only 32 mm in width and 8 mm in height
- Direct position measurement with incremental encoder with 0.75 µrad resolution
- Up to 3 µrad minimum incremental motion
- Rotation range >360°
- Velocity 45 °/s
Piezoelectric inertia drive
Piezo inertia drives are space-saving and affordable piezo-based drives with relatively high holding forces and a virtually unlimited travel range. The inertia drive principle is based on a single piezoelectric actuator that is controlled with a modified sawtooth voltage provided by special driver electronics. The actuator expands slowly and moves the runner. Due to its inertia, the runner is unable to follow the subsequent fast contraction of the actuator and remains at its position. The drives acting directly on the runner achieve velocities of max. 45 °/s with an operating frequency up to 20 kHz.
Application fields
Microassembly. Photonics. Optical alignment. Microscopy. Beamline instrumentation. Semiconductor technology. Testing.
Specifications
Specifications
Motion and positioning | Q-632.930 | Unit | Tolerance |
|---|---|---|---|
Rotation stage with position sensor for closed-loop operation | |||
Active axis | θZ | ||
Rotation range | >360 | ° | |
Integrated sensor | Incremental encoder | ||
Sensor resolution | 0.75 | µrad | |
Minimum incremental motion | 3 | µrad | Typ. |
Unidirectional repeatability | 6 | µrad | Typ. |
Maximum velocity, closed-loop | 20 | °/s |
Downloads
Product Note
Product Change Notification Q-xxx; N-765
Datasheet
Documentation
3D Models
Q-632 3D model
Quote / Order
Ask for a free quote on quantities required, prices, and lead times or describe your desired modification.














