PILine® rotation stage; PILine® piezo motor, performance class 1; >360 ° rotational angle; 5 N load capacity; 720 °/s maximum angular velocity; incremental angle measuring system, 17 µrad sensor resolution; 1.5 m cable length
U-628 PILine® Rotation Stage
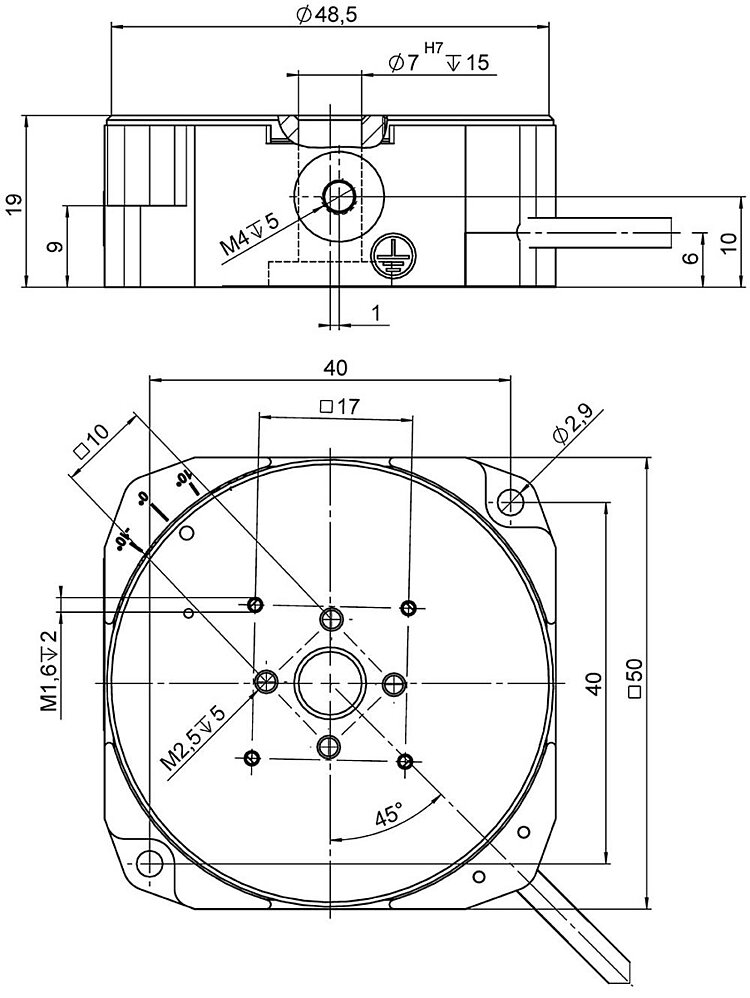
Miniature Stage with Ultrasonic Piezo Motor and Central Opening
- Compact: Edge length 50 mm, height 19 mm
- Positions loads quickly and with precision: Velocity to 720 °/s, minimum incremental motion to 51 µrad
- Unlimited rotation range >360°
- Drive torque 25 mNm
- Self-locking when switched off: Saves energy and reduces generation of heat
- Central aperture for more fields of application
Precision-class rotation stage
PILine® stages are particularly suitable for applications that require fast precision positioning. When switched off, the self-locking drive holds the position of the stage mechanically stable. Energy consumption and heat generation are therefore considerably reduced. Applications with a low duty cycle that are battery-powered or heat-sensitive benefit from these characteristics. The position of the axis is measured by an encoder and an optical reference switch allows reliable repeatable motion. The piezomotor drive principle and its electrical operation are inexpensive and can be customized.
PILine® ultrasonic piezomotor
An integral part of a PILine® ultrasonic piezomotor is a piezo actuator that is preloaded against a movable, guided runner via a coupling element. The piezoceramic actuator is excited to ultrasonic oscillation by a high-frequency AC voltage between 100 and 200 kHz. Deformation of the actuator leads to periodic diagonal motion of the coupling element relative to the runner. The feed created is a few nanometers per cycle; the high frequencies lead to the high velocities. Preloading the piezoceramic actuator against the runner ensures self-locking of the drive when at rest and switched off.
Highly accurate position measuring with incremental encoder
Noncontact optical encoders measure the position directly at the platform with the greatest accuracy. Nonlinearity, mechanical play, or elastic deformation have no influence on the measurement.
Application fields
Micromanipulation, automation, biotechnology, sample manipulation, sample positioning, applications with limited space, optical metrology, vacuum applications to 10-6 hPa (optional).
Specifications
Specifications
| Motion | U-628.03 | Tolerance |
|---|---|---|
| Active axes | θZ | |
| Rotation range in θZ | > 360 ° | |
| Maximum angular velocity in θZ | 720 °/s | |
| Positioning | U-628.03 | Tolerance |
| Integrated sensor | Incremental angle-measuring system | |
| Bidirectional repeatability in θZ | ± 102 µrad | typ. |
| Minimum incremental motion in θZ | 51 µrad | typ. |
| Sensor resolution, rotational | 17 µrad | |
| Reference switch | Optical | |
| Drive Properties | U-628.03 | Tolerance |
| Drive type | PILine® piezo motor, performance class 1 | |
| Drive torque clockwise in θZ | 0.025 N·m | max. |
| Drive torque counterclockwise in θZ | 0.025 N·m | max. |
| Mechanical Properties | U-628.03 | Tolerance |
| Bearing type | Crossed roller bearings | |
| Holding torque in θZ, passive | 0.03 N·m | min. |
| Permissible push force in Z | 5 N | max. |
| Overall mass | 300 g | ±5 % |
| Material | Anodized aluminum | |
| Miscellaneous | U-628.03 | Tolerance |
| Operating temperature range | 0 to 40 °C | |
| Connector | D-sub 15-pin (m) | |
| Cable length | 1.5 m | +200/ -0 mm |
| Recommended controllers / drivers | C-867.1U, C-867.10C885, C-867.2U2 |
Vacuum versions to 10-6 hPa available on request.
Specifications for vacuum versions can differ.
Downloads
Datasheet
Documentation
User Manual MP112
U-628 PILine® Precision Rotation Stage
3D Models
U-628.03 3-D model
Quote / Order
Ask for a free quote on quantities required, prices, and lead times or describe your desired modification.














