Compact linear stage; DC gear motor; 5 mm travel range, 30 N load capacity, 1 mm/s maximum velocity; fine-threaded spindle; incremental rotary encoder, 2048 cts./rev. resolution; 0.5 cable length
M-110 • M-111 • M-112 Compact Linear Stage
XY(Z) Combinations with a Variety of Drives and Travel Ranges
- Very compact due to folded drive
- Stepper motors and closed-loop DC motors
- Noncontact reference and limit switches
- XY setups can be mounted directly
- Large quantities available quickly
- Variants suitable for vacuum available
Compact linear stage, versatile in use
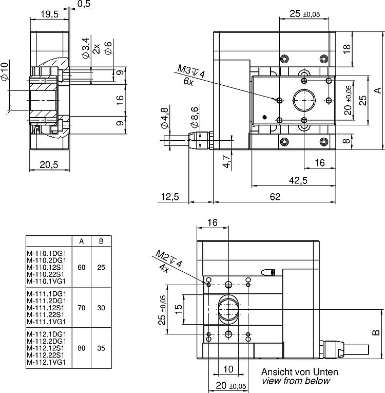
Linear stage with compact size due to folded drive with belt drive. Clear aperture with 10 mm Ø. XY setups can be mounted directly without adapter plate.
Drive
- 2-phase stepper motor or closed-loop DC gear motor
- Backlash-compensated threaded spindle or ball screw
Position measuring
- Variants with DC gear motor: Rotary encoder on the motor shaft
- Noncontact Hall effect reference and limit switches
Application fields
Precision microassembly. Research. Laser inscription. Automation. Optical alignment.
Specifications
Specifications
| Motion | M-110.1DG1 | M-110.2DG1 | M-110.12S1 | M-110.22S1 | M-111.1DG1 | M-111.2DG1 | M-111.12S1 | M-111.22S1 | M-112.1DG1 | M-112.2DG1 | M-112.12S1 | M-112.22S1 | Tolerance |
|---|---|---|---|---|---|---|---|---|---|---|---|---|---|
| Active axes | X | X | X | X | X | X | X | X | X | X | X | X | |
| Travel range in X | 5 mm | 5 mm | 5 mm | 5 mm | 15 mm | 15 mm | 15 mm | 15 mm | 25 mm | 25 mm | 25 mm | 25 mm | |
| Maximum velocity in X, unloaded | 1 mm/s | 1.5 mm/s | 1 mm/s | 1 mm/s | 1.5 mm/s | 2 mm/s | 1 mm/s | 1 mm/s | 1.5 mm/s | 2 mm/s | 1 mm/s | 1 mm/s | |
| Positioning | M-110.1DG1 | M-110.2DG1 | M-110.12S1 | M-110.22S1 | M-111.1DG1 | M-111.2DG1 | M-111.12S1 | M-111.22S1 | M-112.1DG1 | M-112.2DG1 | M-112.12S1 | M-112.22S1 | Tolerance |
| Minimum incremental motion in X | 0.05 µm | 0.2 µm | 0.02 µm | 0.2 µm | 0.05 µm | 0.2 µm | 0.02 µm | 0.2 µm | 0.05 µm | 0.2 µm | 0.02 µm | 0.2 µm | typ. |
| Unidirectional repeatability in X | ± 0.125 µm | ± 0.075 µm | ± 0.125 µm | ± 0.075 µm | ± 0.125 µm | ± 0.075 µm | ± 0.125 µm | ± 0.075 µm | ± 0.125 µm | ± 0.075 µm | ± 0.125 µm | ± 0.075 µm | typ. |
| Bidirectional repeatability in X | 4 µm | 4 µm | 4 µm | 4 µm | 4 µm | 4 µm | 4 µm | 4 µm | 4 µm | 4 µm | 4 µm | 4 µm | typ. |
| Backlash in X | 3 µm | 3 µm | 3 µm | 3 µm | 3 µm | 3 µm | 3 µm | 3 µm | 3 µm | 3 µm | 3 µm | 3 µm | typ. |
| Reference switch | Hall effect | Hall effect | Hall effect | Hall effect | Hall effect | Hall effect | Hall effect | Hall effect | Hall effect | Hall effect | Hall effect | Hall effect | |
| Limit switches | Hall effect | Hall effect | Hall effect | Hall effect | Hall effect | Hall effect | Hall effect | Hall effect | Hall effect | Hall effect | Hall effect | Hall effect | |
| Motor encoder | Incremental rotary encoder | Incremental rotary encoder | — | — | Incremental rotary encoder | Incremental rotary encoder | — | — | Incremental rotary encoder | Incremental rotary encoder | — | — | |
| Motor encoder: Sensor signal | A/B quadrature, RS-422 | A/B quadrature, RS-422 | — | — | A/B quadrature, RS-422 | A/B quadrature, RS-422 | — | — | A/B quadrature, RS-422 | A/B quadrature, RS-422 | — | — | |
| Resolution, motor encoder | 2048 Cts./rev. | 2048 Cts./rev. | — | — | 2048 Cts./rev. | 2048 Cts./rev. | — | — | 2048 Cts./rev. | 2048 Cts./rev. | — | — | |
| Drive Properties | M-110.1DG1 | M-110.2DG1 | M-110.12S1 | M-110.22S1 | M-111.1DG1 | M-111.2DG1 | M-111.12S1 | M-111.22S1 | M-112.1DG1 | M-112.2DG1 | M-112.12S1 | M-112.22S1 | Tolerance |
| Drive type | DC gear motor | DC gear motor | 2-phase stepper motor | 2-phase stepper motor | DC gear motor | DC gear motor | 2-phase stepper motor | 2-phase stepper motor | DC gear motor | DC gear motor | 2-phase stepper motor | 2-phase stepper motor | |
| Nominal voltage | 12 V | 12 V | — | — | 12 V | 12 V | — | — | 12 V | 12 V | — | — | |
| Nominal current, RMS | 0.16 A | 0.16 A | 0.25 A | 0.25 A | 0.16 A | 0.16 A | 0.25 A | 0.25 A | 0.16 A | 0.16 A | 0.25 A | 0.25 A | typ. |
| Motor resolution | — | — | 24 Full steps/rev. | 24 Full steps/rev. | — | — | 24 Full steps/rev. | 24 Full steps/rev. | — | — | 24 Full steps/rev. | 24 Full steps/rev. | |
| Drive force in positive direction of motion in X | 10 N | 10 N | 10 N | 10 N | 10 N | 10 N | 10 N | 10 N | 10 N | 10 N | 10 N | 10 N | typ. |
| Drive force in negative direction of motion in X | 10 N | 10 N | 10 N | 10 N | 10 N | 10 N | 10 N | 10 N | 10 N | 10 N | 10 N | 10 N | typ. |
| Peak current, RMS | — | — | — | — | 0.32 A | 0.32 A | — | — | 0.32 A | 0.32 A | — | — | typ. |
| Resistance phase-phase | — | — | — | — | 19.8 Ω | 19.8 Ω | — | — | 19.8 Ω | 19.8 Ω | — | — | typ. |
| Inductance phase-phase | — | — | — | — | 420000 mH | 420000 mH | — | — | 420000 mH | 420000 mH | — | — | |
| Maximum motor speed | — | — | — | — | 13000 rpm | 13000 rpm | — | — | 13000 rpm | 13000 rpm | — | — | |
| Maximum gearbox speed | — | — | — | — | 5000 rpm | 5000 rpm | — | — | 5000 rpm | 5000 rpm | — | — | |
| Mechanical Properties | M-110.1DG1 | M-110.2DG1 | M-110.12S1 | M-110.22S1 | M-111.1DG1 | M-111.2DG1 | M-111.12S1 | M-111.22S1 | M-112.1DG1 | M-112.2DG1 | M-112.12S1 | M-112.22S1 | Tolerance |
| Permissible push force in Y | 15 N | 15 N | 15 N | 15 N | 10 N | 10 N | 10 N | 10 N | 10 N | 10 N | 10 N | 10 N | max. |
| Permissible push force in Z | 30 N | 30 N | 30 N | 30 N | 30 N | 30 N | 30 N | 30 N | 20 N | 20 N | 20 N | 20 N | max. |
| Permissible torque in θX | 0.15 N·m | 0.15 N·m | 0.15 N·m | 0.15 N·m | 0.15 N·m | 0.15 N·m | 0.15 N·m | 0.15 N·m | 0.15 N·m | 0.15 N·m | 0.15 N·m | 0.15 N·m | max. |
| Permissible torque in θY | 0.15 N·m | 0.15 N·m | 0.15 N·m | 0.15 N·m | 0.15 N·m | 0.15 N·m | 0.15 N·m | 0.15 N·m | 0.15 N·m | 0.15 N·m | 0.15 N·m | 0.15 N·m | max. |
| Permissible torque in θZ | 0.15 N·m | 0.15 N·m | 0.15 N·m | 0.15 N·m | 0.15 N·m | 0.15 N·m | 0.15 N·m | 0.15 N·m | 0.15 N·m | 0.15 N·m | 0.15 N·m | 0.15 N·m | max. |
| Holding force in X, passive | — | — | 10 N | 10 N | — | — | 10 N | 10 N | — | — | 10 N | 10 N | |
| Moved mass in X, unloaded | 11 g | 12 g | 11 g | 12 g | 11 g | 12 g | 11 g | 12 g | 11 g | 12 g | 11 g | 12 g | |
| Drive screw type | Fine-threaded spindle | Ball screw | Fine-threaded spindle | Ball screw | Fine-threaded spindle | Ball screw | Fine-threaded spindle | Ball screw | Fine-threaded spindle | Ball screw | Fine-threaded spindle | Ball screw | |
| Drive screw pitch | 0.4 mm | 0.5 mm | 0.4 mm | 0.5 mm | 0.4 mm | 0.5 mm | 0.4 mm | 0.5 mm | 0.4 mm | 0.5 mm | 0.4 mm | 0.5 mm | |
| Gear ratio i | 256 : 9 | 256 : 9 | 256 : 9 | 256 : 9 | 29791 : 729 | 29791 : 729 | 256 : 9 | 256 : 9 | 29791 : 729 | 29791 : 729 | 256 : 9 | 256 : 9 | |
| Guide | Ball guide | Ball guide | Ball guide | Ball guide | Ball guide | Ball guide | Ball guide | Ball guide | Ball guide | Ball guide | Ball guide | Ball guide | |
| Overall mass | 250 g | 250 g | 250 g | 250 g | 270 g | 270 g | 270 g | 270 g | 300 g | 300 g | 300 g | 300 g | |
| Material | Anodized aluminum | Anodized aluminum | Anodized aluminum | Anodized aluminum | Anodized aluminum | Anodized aluminum | Anodized aluminum | Anodized aluminum | Anodized aluminum | Anodized aluminum | Anodized aluminum | Anodized aluminum | |
| Miscellaneous | M-110.1DG1 | M-110.2DG1 | M-110.12S1 | M-110.22S1 | M-111.1DG1 | M-111.2DG1 | M-111.12S1 | M-111.22S1 | M-112.1DG1 | M-112.2DG1 | M-112.12S1 | M-112.22S1 | Tolerance |
| Operating temperature range | -20 to 65 °C | -20 to 65 °C | -20 to 65 °C | -20 to 65 °C | -20 to 65 °C | -20 to 65 °C | -20 to 65 °C | -20 to 65 °C | -20 to 65 °C | -20 to 65 °C | -20 to 65 °C | -20 to 65 °C | |
| Connector | HD D-sub 26 (m) | HD D-sub 26 (m) | HD D-sub 26 (m) | HD D-sub 26 (m) | HD D-sub 26 (m) | HD D-sub 26 (m) | HD D-sub 26 (m) | HD D-sub 26 (m) | HD D-sub 26 (m) | HD D-sub 26 (m) | HD D-sub 26 (m) | HD D-sub 26 (m) | |
| Cable length | 0.5 m | 0.5 m | 0.5 m | 0.5 m | 0.5 m | 0.5 m | 0.5 m | 0.5 m | 0.5 m | 0.5 m | 0.5 m | 0.5 m | |
| Recommended controllers / drivers | C-863 C-884 G-901 G-910 ACS modular controller | C-863 C-884 G-901 G-910 ACS modular controller | C-663 G-901 G-910 ACS modular controller | C-663 G-901 G-910 ACS modular controller | C-863 C-884 G-901 G-910 ACS modular controller | C-863 C-884 G-901 G-910 ACS modular controller | C-663 G-901 G-910 ACS modular controller | C-663 G-901 G-910 ACS modular controller | C-863 C-884 G-901 G-910 ACS modular controller | C-863 C-884 G-901 G-910 ACS modular controller | C-663 G-901 G-910 ACS modular controller | C-663 G-901 G-910 ACS modular controller |
Note on minimum incremental motion: Values are achieved with the recommended controller
Note on nominal current: Values apply per phase
At PI, technical data is specified at 22 ±3 °C. Unless otherwise stated, the values are for unloaded conditions. Some properties are interdependent. The designation "typ." indicates a statistical average for a property; it does not indicate a guaranteed value for every product supplied. During the final inspection of a product, only selected properties are analyzed, not all. Please note that some product characteristics may deteriorate with increasing operating time.
Downloads
Product Note
Product Change Notification M-110.xxx, M-111.xxx, M-112.xxx
Datasheet
Documentation
User Manual M110T0032
M-110.x1 / M-111.x1 / M-112.x1 microtranslation stages
3D Models
M-11x.xxx1 3-D model
Animated 3-D Models
Animated 3-D Model M-112.xxx1
Animated 3-D Model M-110.xxx1
Animated 3-D Model M-111.xxx1
Ask for a free quote on quantities required, prices, and lead times or describe your desired modification.
Compact linear stage; DC gear motor; 5 mm travel range, 30 N load capacity, 1.5 mm/s maximum velocity; ball screw; incremental rotary encoder, 2048 cts./rev. resolution; 0.5 cable length
Compact linear stage; 2-phase stepper motor; 5 mm travel range; 30 N load capacity; 1 mm/s maximum velocity; fine-threaded spindle; 0.5 m cable length
Compact linear stage; 2-phase stepper motor; 5 mm travel range; 30 N load capacity; 1 mm/s maximum velocity; ball screw; 0.5 m cable length
Compact linear stage; DC gear motor; 15 mm travel range, 30 N load capacity, 1.5 mm/s maximum velocity; fine-threaded spindle; incremental rotary encoder, 2048 cts./rev. resolution; 0.5 cable length
Compact linear stage; DC gear motor; 15 mm travel range, 30 N load capacity, 2 mm/s maximum velocity; ball screw; incremental rotary encoder, 2048 cts./rev. resolution; 0.5 cable length
Compact linear stage; 2-phase stepper motor; 15 mm travel range; 30 N load capacity; 1 mm/s maximum velocity; fine-threaded spindle; 0.5 m cable length
Compact linear stage; 2-phase stepper motor; 15 mm travel range; 30 N load capacity; 1 mm/s maximum velocity; ball screw; 0.5 m cable length
Compact linear stage; DC gear motor; 25 mm travel range, 20 N load capacity, 1.5 mm/s maximum velocity; fine-threaded spindle; incremental rotary encoder, 2048 cts./rev. resolution; 0.5 cable length
Compact linear stage; DC gear motor; 25 mm travel range, 20 N load capacity, 2 mm/s maximum velocity; ball screw; incremental rotary encoder, 2048 cts./rev. resolution; 0.5 cable length
Compact linear stage; 2-phase stepper motor; 25 mm travel range; 20 N load capacity; 1 mm/s maximum velocity; fine-threaded spindle; 0.5 m cable length
Compact linear stage; 2-phase stepper motor; 25 mm travel range; 20 N load capacity; 1 mm/s maximum velocity; ball screw; 0.5 m cable length



























