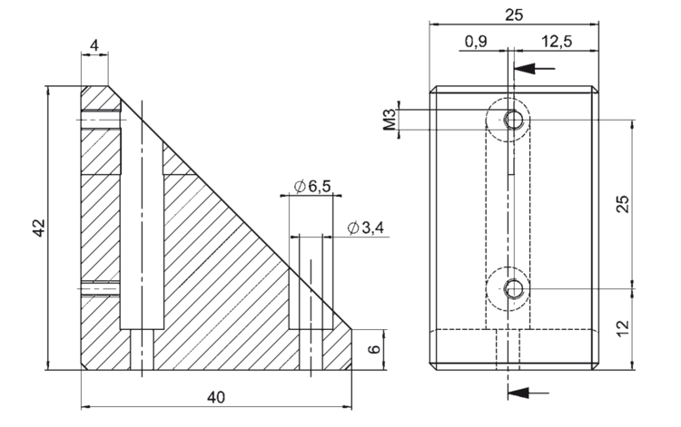
M-122.AP1 Mounting Bracket

For Vertical Mount of M-122 on M-110, M-111, M-112 and M-122 Stages

M-122.AP1 Mounting Bracket
제품 설명 다운로드 견적 / 주문

Downloads

Datasheet

Datasheet

Datasheet M-122.AP1

버전 / 날짜
2015-04-13
pdf - 701 KB
버전 / 날짜
2015-04-13
pdf - 700 KB

Quote / Order

Ask for a free quote on quantities required, prices, and lead times or describe your desired modification.

견적 요청 방법

견적/주문하기 클릭
견적 리스트에 원하는 제품 추가
견적 양식 작성
PI에 가격 요청 전송
빠르게 연락드리겠습니다

Ask an engineer!

Quickly receive an answer to your question by email or phone from a local PI sales engineer.

Compatible Products