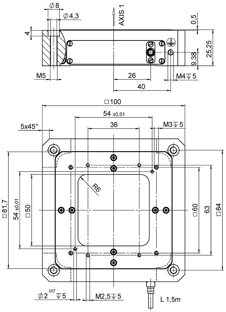
High dynamics Z nanopositioning stage; 100 µm travel range; capacitive, direct position measuring; D-sub 7W2 (m); 1.5 m cable length
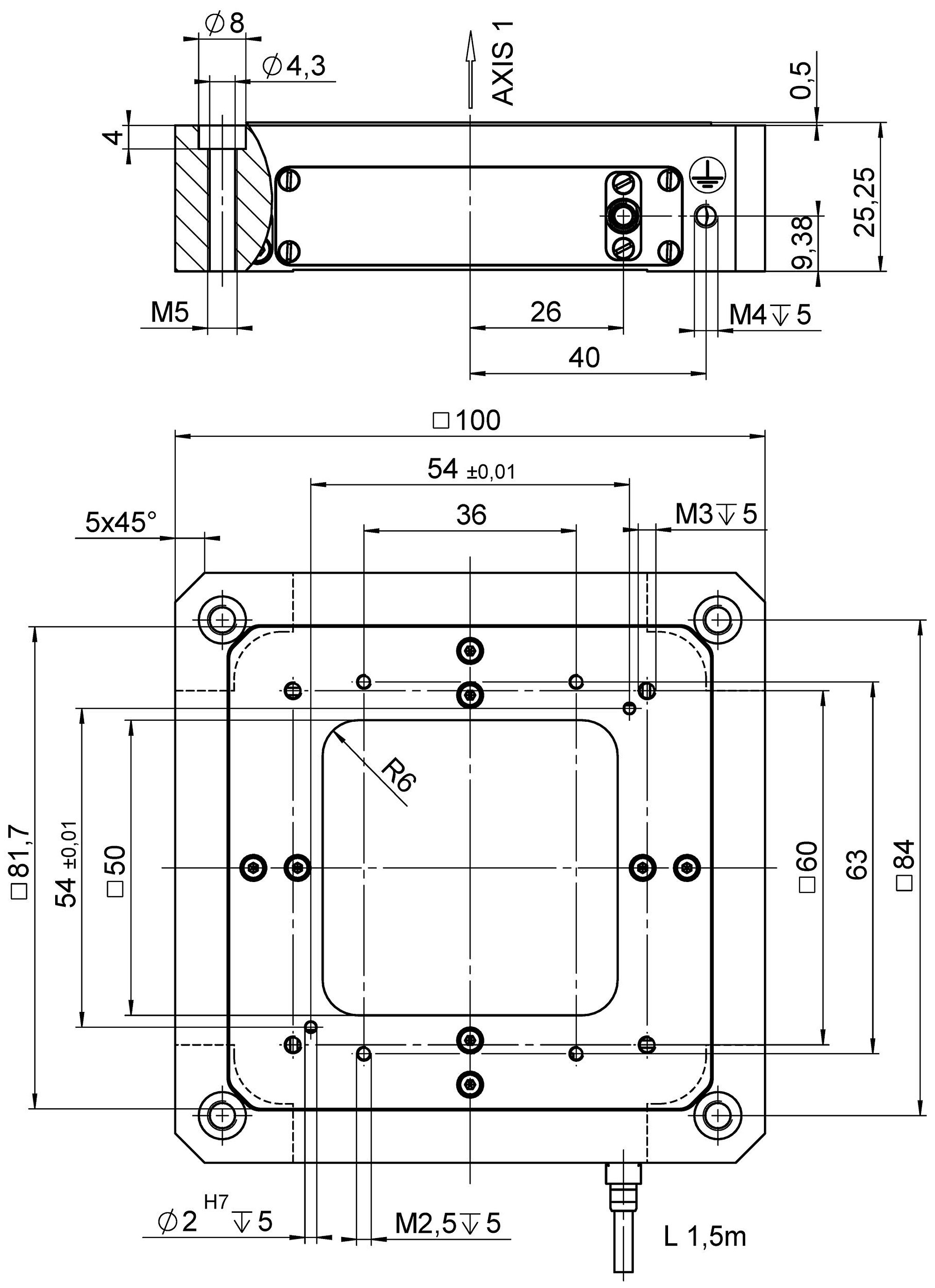
P-733.Z High Dynamics Z Nanopositioning Stage
Direct Position Measuring and Clear Aperture
- Travel range 100 µm
- Direct position measuring with capacitive sensors
- Resolution to 0.3 nm, closed loop
- Clear aperture 50 mm × 50 mm
- Other versions available with additional degrees of freedom
- XY and XYZ versions available
- Vacuum-compatible versions on request
Application fields
- Scanning microscopy
- Confocal microscopy
- Mask/wafer positioning
- Surface measuring technology
- Nanoimprinting
- Micromanipulation
- Image processing / stabilization
- Nanopositioning with high flatness and straightness of motion
Outstanding lifetime thanks to PICMA® piezo actuators
The PICMA® piezo actuators are all-ceramic insulated. This protects them against humidity and failure resulting from an increase in leakage current. PICMA® actuators offer an up to ten times longer lifetime than conventional polymer-insulated actuators. 100 billion cycles without a single failure are proven.
Subnanometer resolution with capacitive sensors
Capacitive sensors measure with subnanometer resolution without contacting. They guarantee excellent linearity of motion, long-term stability, and a bandwidth in the kHz range.
High guiding accuracy due to zero-play flexure guides
Flexure guides are free of maintenance, friction, and wear, and do not require lubrication. Their stiffness allows high load capacity and they are insensitive to shock and vibration. They work in a wide temperature range.
Automatic configuration and fast component exchange
Mechanics and controllers can be combined as required and exchanged quickly. All servo and linearization parameters are stored in the ID chip of the D-sub connector of the mechanics. The autocalibration function of the digital controllers uses this data each time the controller is switched on.
Maximum accuracy due to direct position measuring
Motion is measured directly at the motion platform without any influence from the drive or guide elements. This allows optimum repeatability, outstanding stability, and stiff, fast-responding control.
Specifications
Specifications
| Motion | P-733.ZCD | P-733.ZCL | Tolerance |
|---|---|---|---|
| Active axes | Z | Z | |
| Travel range in Z | 100 µm | 100 µm | |
| Travel range in Z, open loop, at -20 to 120 V | 115 µm | 115 µm | +20 / -0 % |
| Linearity error | 0.03 % | 0.03 % | typ. |
| Yaw (Rotational crosstalk in θX with motion in Z) | < 5 µrad | < 5 µrad | typ. |
| Pitch (Rotational crosstalk in θY with motion in Z) | < 5 µrad | < 5 µrad | typ. |
| Roll (Rotational crosstalk in θZ with motion in Z) | < 10 µrad | < 10 µrad | typ. |
| Positioning | P-733.ZCD | P-733.ZCL | Tolerance |
| Unidirectional repeatability in Z | ± 2 nm | ± 2 nm | typ. |
| Resolution, open loop | 0.2 nm | 0.2 nm | typ. |
| Integrated sensor | Capacitive, direct position measuring | Capacitive, direct position measuring | |
| System resolution | 0.3 nm | 0.3 nm | typ. |
| Drive Properties | P-733.ZCD | P-733.ZCL | Tolerance |
| Drive type | PICMA® | PICMA® | |
| Electrical capacitance | 6 µF | 6 µF | ±20 % |
| Mechanical Properties | P-733.ZCD | P-733.ZCL | Tolerance |
| Stiffness | 2.5 N/µm | 2.5 N/µm | ±20 % |
| Resonant frequency in Z, unloaded | 700 Hz | 700 Hz | ±20 % |
| Resonant frequency in Z, under load with 120 g | 530 Hz | 530 Hz | ±20 % |
| Resonant frequency in Z, under load with 200 g | 415 Hz | 415 Hz | ±20 % |
| Permissible push force in Z | 50 N | 50 N | max. |
| Permissible pull force in Z | 20 N | 20 N | max. |
| Guide | Flexure guide with lever amplification | Flexure guide with lever amplification | |
| Overall mass | 580 g | 580 g | ±5 % |
| Material | Aluminum | Aluminum | |
| Miscellaneous | P-733.ZCD | P-733.ZCL | Tolerance |
| Operating temperature range | -20 to 80 °C | -20 to 80 °C | |
| Connector | D-sub 7W2 (m) | LEMO FFS.00.250.CTCE24 | |
| Cable length | 1.5 m | 1.5 m | ±10 mm |
| Recommended controllers / drivers | E-503, E-505, E-610, E-621, E-625, E-754 | E-503, E-505, E-610, E-621, E-625, E-754 | |
| Sensor connector | LEMO FFA.00.250.CTLC 17 |
The resolution of the system is limited only by the noise of the amplifier and the measuring technology because PI piezo nanopositioning systems are free of friction.
Downloads
Datasheet
Documentation
User Manual PZ103
P-733, P-734 Piezo Nanopositioning Systems with Capacitive Sensors
3D Models
P-733.Z 3-D model
Quote / Order
Ask for a free quote on quantities required, prices, and lead times or describe your desired modification.
High dynamics Z nanopositioning stage; 100 µm travel range; capacitive, direct position measuring; LEMO connectors; 1.5 m cable length
견적 요청 방법
Ask an engineer!
Quickly receive an answer to your question by email or phone from a local PI sales engineer.
기술

PICMA® Technology
Highly reliable and extended lifetime through the patented manufacturing process for multilayer actuators.

Vacuum
Careful handling, adequate premises: PI does not only have the necessary equipment for the qualification of materials, components and final products, but also has many years of experience with regard to HV und UHV positioning systems.

Flexure Guiding Systems
Flexure guides from PI have proven their worth in nanopositioning. They guide the piezo actuator and ensure a straight motion without tilting or lateral offset.

Digital Motion Controllers
Digital technology opens up possibilities for improving performance in control engineering which do not exist with conventional analog technology.

Capacitive Sensors
Capacitive sensors are the metrology system of choice for the most demanding nanopositioning applications.


















