PICMAWalk walking drive; 30 mm travel range (open loop); 50 N drive force; 12 mm/s maximum velocity; 2 m cable length
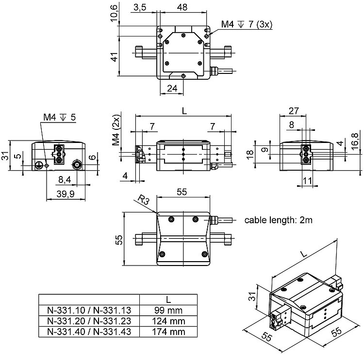
N-331 PICMAWalk Walking Drive
OEM Walking Drive for Durable Applications with up to 12 mm/s Velocity and 50 N Drive Force
- Robust walking drive for industrial use with PICMA® technology for extreme durability
- Fastest and strongest drive of its size class
- Variable runner lengths from 25 mm to 100 mm
- Precise, nanometer precision positioning of loads up to 5 kg
- Plug-and-play, thanks to PI proprietary controller technology
- Vacuum versions to 10-9 hPa available
Application fields
- Industrial precision positioning
- Semiconductor technology
- Semiconductor tests
- Wafer inspection
- Lithography
- Nanoimprinting
- Nanometrology
Outstanding lifetime due to PICMA® piezo actuators
The PICMA® piezo actuators are all-ceramic insulated. This protects them against humidity and failure resulting from an increase in leakage current. PICMA® actuators offer an up to ten times longer lifetime than conventional polymer-insulated actuators. 100 billion cycles without a single failure are proven.
Nanometer precision and high feed force with PiezoWalk® walking drives
In the PiezoWalk® walking drive, several piezo actuators do a walking motion that leads to a forward feed of a runner. Control of the actuators allows the smallest step and forward feed motion at a resolution of well under one nanometer.
Highly accurate position measuring with incremental linear encoder
Noncontact optical linear encoders measure the position directly at the platform with the greatest accuracy. Nonlinearity, mechanical play or elastic deformation have no influence on the measurement.
Specifications
Specifications
| Motion | N-331.10 | N-331.13 | N-331.20 | N-331.23 | N-331.40 | N-331.43 | Tolerance |
|---|---|---|---|---|---|---|---|
| Active axes | X | X | X | X | X | X | |
| Travel range in X | — | 25 mm | — | 50 mm | — | 100 mm | |
| Travel range in X, open loop | 30 mm | 30 mm | 55 mm | 55 mm | 105 mm | 105 mm | ±0,5 mm |
| Travel range in X (analog mode) | 20 µm | 20 µm | 20 µm | 20 µm | 20 µm | 20 µm | typ. |
| Operating frequency in full step mode | 0.6 kHz | 0.6 kHz | 0.6 kHz | 0.6 kHz | 0.6 kHz | 0.6 kHz | |
| Velocity (100 % duty cycle, full-step mode) | 12 mm/s | 12 mm/s | 12 mm/s | 12 mm/s | 12 mm/s | 12 mm/s | max. |
| Velocity (100 % duty cycle, nanostepping mode) | 10 mm/s | 10 mm/s | 10 mm/s | 10 mm/s | 10 mm/s | 10 mm/s | max. |
| Positioning | N-331.10 | N-331.13 | N-331.20 | N-331.23 | N-331.40 | N-331.43 | Tolerance |
| Minimum incremental motion in X | 0.01 µm | 0.01 µm | 0.01 µm | 0.01 µm | 0.01 µm | 0.01 µm | typ. |
| Resolution in X, open loop | 0.02 nm | 0.02 nm | 0.02 nm | 0.02 nm | 0.02 nm | 0.02 nm | typ. |
| Integrated sensor | — | Incremental linear encoder | — | Incremental linear encoder | — | Incremental linear encoder | |
| System resolution in X | — | 10 nm | — | 10 nm | — | 10 nm | |
| Drive properties | N-331.10 | N-331.13 | N-331.20 | N-331.23 | N-331.40 | N-331.43 | Tolerance |
| Drive type | PICMAWalk | PICMAWalk | PICMAWalk | PICMAWalk | PICMAWalk | PICMAWalk | |
| Operating voltage | -20 to 120 V | -20 to 120 V | -20 to 120 V | -20 to 120 V | -20 to 120 V | -20 to 120 V | |
| Drive force in positive direction of motion in X | 50 N | 50 N | 50 N | 50 N | 50 N | 50 N | min. |
| Drive force in negative direction of motion in X | 50 N | 50 N | 50 N | 50 N | 50 N | 50 N | min. |
| Mechanical properties | N-331.10 | N-331.13 | N-331.20 | N-331.23 | N-331.40 | N-331.43 | Tolerance |
| Holding force in X, passive | 60 N | 60 N | 60 N | 60 N | 60 N | 60 N | min. |
| Moved mass in X, unloaded | 110 g | 110 g | 140 g | 140 g | 190 g | 190 g | |
| Overall mass | 580 g | 580 g | 610 g | 610 g | 660 g | 660 g | |
| Material | Aluminum, stainless steel | Aluminum, stainless steel | Aluminum, stainless steel | Aluminum, stainless steel | Aluminum, stainless steel | Aluminum, stainless steel | |
| Endurance at 1013 hPa, 2 kg payload, 70 % duty cycle | > 30 km | > 30 km | > 30 km | > 30 km | > 30 km | > 30 km | |
| Miscellaneous | N-331.10 | N-331.13 | N-331.20 | N-331.23 | N-331.40 | N-331.43 | Tolerance |
| Operating temperature range | 0 to 50 °C | 0 to 50 °C | 0 to 50 °C | 0 to 50 °C | 0 to 50 °C | 0 to 50 °C | |
| Connector | D-sub 37 (m) | D-sub 37 (m) | D-sub 37 (m) | D-sub 37 (m) | D-sub 37 (m) | D-sub 37 (m) | |
| Cable length | 2 m | 2 m | 2 m | 2 m | 2 m | 2 m | |
| Recommended controllers/drivers | E-713 | E-713 | E-713 | E-713 | E-713 | E-713 |
Travel range in X, open loop: From one mechanical hard stop of the runner to the other mechanical hard stop, only in open-loop operation
Velocity (100 % duty cycle, full-step mode): depends on the controller, the load, and the servo parameters: in this case an E-713.3AN controller is used. For longer positioning processes, operate the linear actuator with this controller at a velocity below 3 mm/s.
Operating frequency in full-step mode: when operated with a digital controller with 25 W peak power output
At PI, technical data is specified at 22 ±3 °C. Unless otherwise stated, the values are for unloaded conditions. Some properties are interdependent. The designation "typ." indicates a statistical average for a property; it does not indicate a guaranteed value for every product supplied. During the final inspection of a product, only selected properties are analyzed, not all. Please note that some product characteristics may deteriorate with increasing operating time.
Downloads
Datasheet
Documentation
User Manual PZ271
N-331 Piezoelectric Walking Drive PICMAWalk
Product Note for the N-33x.xxx
3D Models
N-331 3D model
N-331 3D model
Ask for a free quote on quantities required, prices, and lead times or describe your desired modification.
PICMAWalk walking drive; 25 mm travel range; 50 N drive force; 12 mm/s maximum velocity; incremental linear encoder; 2 m cable length
PICMAWalk walking drive; 55 mm travel range (open loop); 50 N drive force; 12 mm/s maximum velocity; 2 m cable length
PICMAWalk walking drive; 50 mm travel range; 50 N drive force; 12 mm/s maximum velocity; incremental linear encoder; 2 m cable length
PICMAWalk walking drive; 105 mm travel range (open loop); 50 N drive force; 12 mm/s maximum velocity; 2 m cable length
PICMAWalk walking drive; 100 mm travel range; 50 N drive force; 12 mm/s maximum velocity; incremental linear encoder; 2 m cable length
견적 요청 방법
Ask an engineer!
Quickly receive an answer to your question by email or phone from a local PI sales engineer.
기술

PICMA® Technology
Highly reliable and extended lifetime through the patented manufacturing process for multilayer actuators.

PiezoWalk® Walking Drives
PiezoWalk® drives were developed more than 10 years ago for the semiconductor industry, a demanding industry when it comes to reliability, position resolution and long-term stability.

Vacuum
Careful handling, adequate premises: PI does not only have the necessary equipment for the qualification of materials, components and final products, but also has many years of experience with regard to HV und UHV positioning systems.

Digital Motion Controllers
Digital technology opens up possibilities for improving performance in control engineering which do not exist with conventional analog technology.

Incremental Sensors
PI uses incremental measurement systems for longer travel ranges, starting from approximately one millimeter. These sensors, which in most cases are optical sensors, achieve position resolution down to the picometer range.

Hexapods and SpaceFAB
Hexapods are systems for moving and positioning loads in six degrees of freedom, in three translational and three rotational axes.













