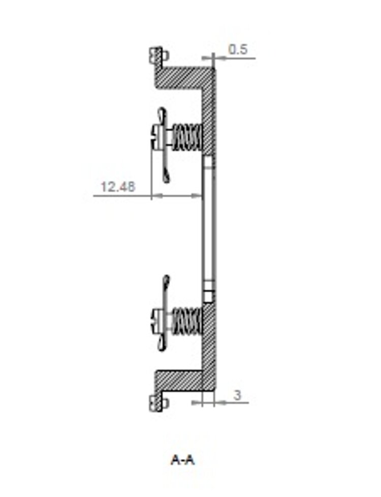
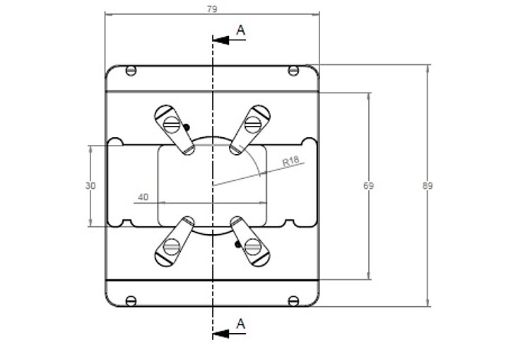
P-542.PD1 Petri Dish Holder

For P-54x Nanopositioning System, 35 mm

P-542.PD1 Petri Dish Holder
제품 설명 다운로드 견적 / 주문

Downloads

Datasheet

Datasheet

Datasheet P-542.PD1

버전 / 날짜
2015-05-19
pdf - 682 KB
버전 / 날짜
2015-05-19
pdf - 680 KB

Brochure

Brochure

Microscope Stage Configurator

Sample Stages and Holders for Inverted Microscopes

버전 / 날짜
BRO70E
pdf - 3 MB
영어

Quote / Order

Ask for a free quote on quantities required, prices, and lead times or describe your desired modification.

Ask about custom designs!

견적 요청 방법

견적/주문하기 클릭
견적 리스트에 원하는 제품 추가
견적 양식 작성
PI에 가격 요청 전송
빠르게 연락드리겠습니다

Ask an engineer!

Quickly receive an answer to your question by email or phone from a local PI sales engineer.

Compatible Products Related Accessories