PIMag® tip/tilt platform, voice coil, 4° rotation range
V-931 High Dynamics PIMag® Voice Coil Tip/Tilt Platform
For Fast Steering Mirrors
- Beam deflection angle to 8°
- Two orthogonal tip/tilt axes with common center of rotation
- Identical motion characteristics of both axes thanks to parallel kinematics
- Compact design
- Durable and friction free thanks to flexures
- Noncontact direct position measuring with linear encoders
PIMag® voice coil motor
Voice coil motors are direct drives. In direct drives, the force of the drive element is transmitted directly to the load to be moved without the use of mechanical transmission elements such as coupling, drive screw, or gearhead. Voice coil drives consist of a permanent magnet and a winding body that are located in the air gap of the magnetic field. When current flows through the winding body, it moves in the magnetic field of the permanent magnet. Thanks to their low weight and friction-free drive principle, voice coil drives are particularly suitable for applications that require high dynamics and high velocities at limited travel ranges. High scan frequencies and precision positioning are also possible with these drives, because they are free of the effects of hysteresis.
High dynamics multi-axis operation due to parallel kinematics
In a parallel-kinematic multi-axis system, all actuators act on a common platform. The minimum mass inertia and the identical design of all axes allow fast, dynamic, and nevertheless precision motion.
Application fields
- Beam stabilization
- Satellite communication
- Image processing / stabilization
- Laser micromachining. Laser tuning. Laser scanning / beam steering with large deflection angles.
- Test & inspection: AOI (automated optical inspection). Noncontact profilometry. Sensor testing.
- Optics: Optical filters / switches. Optical trapping. Grid scan. Tracking.
Specifications
Specifications
| Motion | V-931.01 | Tolerance |
|---|---|---|
| Active axes | θX ǀ θY | |
| Rotation range in θX | ± 2 ° | |
| Rotation range in θY | ± 2 ° | |
| Linearity error in θX | 0.4 % | typ. |
| Linearity error in θY | 0.4 % | typ. |
| Positioning | V-931.01 | Tolerance |
| Minimum incremental motion in θX | 1 µrad | max. |
| Minimum incremental motion in θY | 1 µrad | max. |
| Bidirectional repeatability in θX | 4 µrad | typ. |
| Bidirectional repeatability in θY | 4 µrad | typ. |
| Integrated sensor | Incremental linear encoder | |
| Sensor resolution, rotational | 1 µrad | max. |
| Interpolation factor | 65536 | |
| Settling time for 100 % step in θX | 20 ms | max. |
| Settling time for 100 % step in θY | 20 ms | max. |
| Drive properties | V-931.01 | Tolerance |
| Drive type | Voice coil | |
| Nominal voltage | 24 V | |
| Peak voltage | 24 V | |
| Nominal current, RMS | 0.5 A | typ. |
| Peak current, RMS | 1.5 A | typ. |
| Force constant | 32.8 N·mm/A | |
| Resistance phase-phase | 13 Ω | typ. |
| Inductance phase-phase | 1.9 mH | |
| Mechanical properties | V-931.01 | Tolerance |
| Resonant frequency in θX, unloaded | 29 Hz | ±20 % |
| Resonant frequency in θY, unloaded | 29 Hz | ±20 % |
| Distance of pivot point to platform surface | -3.2 mm | ±0,05 mm |
| Overall mass | 290 g | |
| Mass without cable | 135 g | |
| Miscellaneous | V-931.01 | Tolerance |
| Operating temperature range | 5 to 40 °C | |
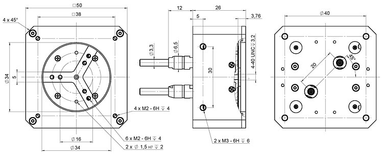
| Connector | D-sub 15 (m) | |
| Cable length | 1 m | |
| Recommended controllers/drivers | C-413.2x |
Peak current, RMS: Max. duration 1.0 s
Settling time for 100% step: 44 mrad, 2% settling band, payload: 1-inch mirror 5 mm thickness
Distance of pivot point to platform surface: Gap below the platform's mounting surface
At PI, technical data is specified at 22 ±3 °C. Unless otherwise stated, the values are for unloaded conditions. Some properties are interdependent. The designation "typ." indicates a statistical average for a property; it does not indicate a guaranteed value for every product supplied. During the final inspection of a product, only selected properties are analyzed, not all. Please note that some product characteristics may deteriorate with increasing operating time.
Ask for a free quote on quantities required, prices, and lead times or describe your desired modification.






