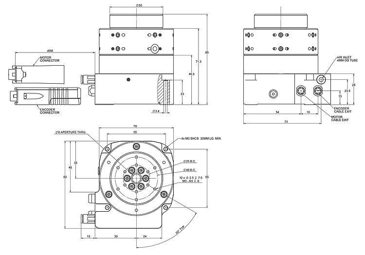
PIglide RM rotation stage, air bearing, 50 mm motion platform diameter, 25 mm journal length, incremental angle measuring system with sin/cos signal transmission, 8192 lines/revolution, slotless, brushless 3-phase torque motor
A-62x PIglide RM Rotation Stage with Air Bearings
Friction-Free, Ideal for Indexing, Positioning, Scanning, Measuring Technology
- Cleanroom compatible
- Motion platform diameter from 50 mm to 300 mm
- Load capacity to 4170 N
- Eccentricity and flatness < 200 nm
- Can be mounted vertically or horizontally
Product overview
The PIglide RM series of motorized rotation stages are designed for accuracy, precision, high stiffness, and ease of use, and can be mounted in any orientation.
Various options can be combined to create a solution ideal for point-to-point indexing or constant velocity scanning.
The RM stages offer superior travel accuracy, flatness, and wobble performance. Because they are friction free and require no maintenance or lubrication, they are ideal for use in cleanrooms.
3-Phase torque motor
- Brushless
- Slotless
- Low cogging torque
Absolute encoder (optional)
Absolute encoders supply explicit position information that enables immediate determination of the position. Therefore, no referencing is necessary when switching on and this increases efficiency and safety during operation.
Accessories and options
- Encoder
- Optional tip/tilt platform
- Custom mounting flanges
- Vacuum feedthrough
- Slip rings
- PIglide filter and air preparation kits
- Single or multi-axis motion controllers and servo drives
- Base plates made of granite and systems for reducing vibration
Application fields
Optical alignment, metrology, inspection systems, calibration, scanning.
Specifications
Specifications
| Motion | A-621.025A1 | A-621.025B1 | A-623.025A1 | A-623.025B1 | A-623.050A1 | A-623.050B1 | A-624.050A1 | A-624.050B1 | A-625.065A1 | A-625.065B1 | A-627.075A1 | A-627.075B1 | Tolerance |
|---|---|---|---|---|---|---|---|---|---|---|---|---|---|
| Active axes | θZ | θZ | θZ | θZ | θZ | θZ | θZ | θZ | θZ | θZ | θZ | θZ | |
| Rotation range in θZ | 360 ° | 360 ° | 360 ° | 360 ° | 360 ° | 360 ° | 360 ° | 360 ° | 360 ° | 360 ° | 360 ° | 360 ° | |
| Maximum angular velocity in θZ, unloaded | 2500 rpm | 2500 rpm | 1200 rpm | 1200 rpm | 1200 rpm | 1200 rpm | 600 rpm | 600 rpm | 500 rpm | 500 rpm | 500 rpm | 500 rpm | |
| Radial error in X | ± 0.15 µm | ± 0.15 µm | ± 0.087 µm | ± 0.087 µm | ± 0.087 µm | ± 0.087 µm | ± 0.05 µm | ± 0.05 µm | ± 0.05 µm | ± 0.05 µm | ± 0.037 µm | ± 0.037 µm | max. |
| Axial error | ± 0.05 µm | ± 0.05 µm | ± 0.037 µm | ± 0.037 µm | ± 0.037 µm | ± 0.037 µm | ± 0.025 µm | ± 0.025 µm | ± 0.025 µm | ± 0.025 µm | ± 0.02 µm | ± 0.02 µm | max. |
| Tilt error around X (wobble) | ± 2.5 µrad | ± 2.5 µrad | ± 1.5 µrad | ± 1.5 µrad | ± 1.5 µrad | ± 1.5 µrad | ± 1 µrad | ± 1 µrad | ± 1 µrad | ± 1 µrad | ± 0.5 µrad | ± 0.5 µrad | max. |
| Positioning | A-621.025A1 | A-621.025B1 | A-623.025A1 | A-623.025B1 | A-623.050A1 | A-623.050B1 | A-624.050A1 | A-624.050B1 | A-625.065A1 | A-625.065B1 | A-627.075A1 | A-627.075B1 | Tolerance |
| Positioning accuracy in θZ, calibrated | ± 8 µrad | ± 8 µrad | ± 8 µrad | ± 8 µrad | ± 8 µrad | ± 8 µrad | ± 8 µrad | ± 8 µrad | ± 8 µrad | ± 8 µrad | ± 8 µrad | ± 8 µrad | typ. |
| Bidirectional repeatability in θZ | 8 µrad | 8 µrad | 8 µrad | 8 µrad | 8 µrad | 8 µrad | 8 µrad | 8 µrad | 8 µrad | 8 µrad | 8 µrad | 8 µrad | typ. |
| Reference switch | 1/revolution, differential pulse over one sensor signal period, 1 V peak-to-peak | — | 1/revolution, differential pulse over one sensor signal period, 1 V peak-to-peak | — | 1/revolution, differential pulse over one sensor signal period, 1 V peak-to-peak | — | 1/revolution, differential pulse over one sensor signal period, 1 V peak-to-peak | — | 1/revolution, one count over one step of the encoder, synchronized to output signal | 1/revolution, one count over one step of the encoder, synchronized to output signal | 1/revolution, differential pulse over one sensor signal period, 1 V peak-to-peak | — | |
| Integrated sensor | Incremental angle-measuring system | Absolute angle-measuring system | Incremental angle-measuring system | Absolute angle-measuring system | Incremental angle-measuring system | Absolute angle-measuring system | Incremental angle-measuring system | Absolute angle-measuring system | Incremental angle-measuring system | Absolute angle-measuring system | Incremental angle-measuring system | Absolute angle-measuring system | |
| Sensor signal | Sin/cos, 1 V peak-to-peak | BiSS-C | Sin/cos, 1 V peak-to-peak | BiSS-C | Sin/cos, 1 V peak-to-peak | BiSS-C | Sin/cos, 1 V peak-to-peak | BiSS-C | Sin/cos, 1 V peak-to-peak | BiSS-C | Sin/cos, 1 V peak-to-peak | BiSS-C | |
| Sensor signal periods/U | 8192 | — | 15744 | — | 15744 | — | 23600 | — | 31488 | — | 47200 | — | |
| Sensor resolution | 0.047 µrad | 0.0015 µrad | 0.024 µrad | 0.0015 µrad | 0.016 µrad | 0.0015 µrad | 0.016 µrad | 0.0015 µrad | 0.012 µrad | 0.0015 µrad | 0.008 µrad | 0.0015 µrad | |
| Drive properties | A-621.025A1 | A-621.025B1 | A-623.025A1 | A-623.025B1 | A-623.050A1 | A-623.050B1 | A-624.050A1 | A-624.050B1 | A-625.065A1 | A-625.065B1 | A-627.075A1 | A-627.075B1 | Tolerance |
| Drive type | Ironless 3-phase torque motor | Ironless 3-phase torque motor | Ironless 3-phase torque motor | Ironless 3-phase torque motor | Ironless 3-phase torque motor | Ironless 3-phase torque motor | Ironless 3-phase torque motor | Ironless 3-phase torque motor | Ironless 3-phase torque motor | Ironless 3-phase torque motor | Ironless 3-phase torque motor | Ironless 3-phase torque motor | |
| Nominal voltage | 48 V | 48 V | 48 V | 48 V | 48 V | 48 V | 48 V | 48 V | 48 V | 48 V | 48 V | 48 V | |
| Peak voltage | 80 V | 80 V | 80 V | 80 V | 80 V | 80 V | 80 V | 80 V | 80 V | 80 V | 80 V | 80 V | |
| Nominal current | 3.3 A | 3.3 A | 3.1 A | 3.1 A | 3.1 A | 3.1 A | 2.3 A | 2.3 A | 2.3 A | 2.3 A | 4.5 A | 4.5 A | typ. |
| Peak current | 9.9 A | 9.9 A | 9.3 A | 9.3 A | 9.3 A | 9.3 A | 6.9 A | 6.9 A | 6.9 A | 6.9 A | 13.9 A | 13.9 A | typ. |
| Drive torque clockwise in θZ | 0.07 N·m | 0.07 N·m | 0.7 N·m | 0.7 N·m | 0.7 N·m | 0.7 N·m | 1.57 N·m | 1.57 N·m | 1.57 N·m | 1.57 N·m | 2.82 N·m | 2.82 N·m | max. |
| Drive torque counterclockwise in θZ | 0.07 N·m | 0.07 N·m | 0.7 N·m | 0.7 N·m | 0.7 N·m | 0.7 N·m | 1.57 N·m | 1.57 N·m | 1.57 N·m | 1.57 N·m | 2.82 N·m | 2.82 N·m | max. |
| Peak torque clockwise in θZ | 0.21 N·m | 0.21 N·m | 2.1 N·m | 2.1 N·m | 2.1 N·m | 2.1 N·m | 4.71 N·m | 4.71 N·m | 4.71 N·m | 4.71 N·m | 8.46 N·m | 8.46 N·m | max. |
| Peak torque counterclockwise in θZ | 0.21 N·m | 0.21 N·m | 2.1 N·m | 2.1 N·m | 2.1 N·m | 2.1 N·m | 4.71 N·m | 4.71 N·m | 4.71 N·m | 4.71 N·m | 8.46 N·m | 8.46 N·m | max. |
| Torque constant | 0.03 N·m/A | 0.03 N·m/A | 0.26 N·m/A | 0.26 N·m/A | 0.26 N·m/A | 0.26 N·m/A | 0.59 N·m/A | 0.59 N·m/A | 0.59 N·m/A | 0.59 N·m/A | 0.61 N·m/A | 0.61 N·m/A | typ. |
| Resistance phase-phase | 2.7 Ω | 2.7 Ω | 4.2 Ω | 4.2 Ω | 4.2 Ω | 4.2 Ω | 6.7 Ω | 6.7 Ω | 6.7 Ω | 6.7 Ω | 4.5 Ω | 4.5 Ω | typ. |
| Inductance phase-phase | 0.1 mH | 0.1 mH | 0.4 mH | 0.4 mH | 0.4 mH | 0.4 mH | 0.9 mH | 0.9 mH | 0.9 mH | 0.9 mH | 0.6 mH | 0.6 mH | |
| Back EMF, phase-phase, rotational | 4.1 V/kRPM | 4.1 V/kRPM | 31.8 V/kRPM | 31.8 V/kRPM | 31.8 V/kRPM | 31.8 V/kRPM | 71 V/kRPM | 71 V/kRPM | 71 V/kRPM | 71 V/kRPM | 74 V/kRPM | 74 V/kRPM | max. |
| Number of pole pairs | 6 | 6 | 14 | 14 | 14 | 14 | 24 | 24 | 24 | 24 | 32 | 32 | |
| Mechanical properties | A-621.025A1 | A-621.025B1 | A-623.025A1 | A-623.025B1 | A-623.050A1 | A-623.050B1 | A-624.050A1 | A-624.050B1 | A-625.065A1 | A-625.065B1 | A-627.075A1 | A-627.075B1 | Tolerance |
| Stiffness in X | 8 N/µm | 8 N/µm | 18 N/µm | 18 N/µm | 35 N/µm | 35 N/µm | 64 N/µm | 64 N/µm | 110 N/µm | 110 N/µm | 204 N/µm | 204 N/µm | |
| Stiffness in Y | 8 N/µm | 8 N/µm | 18 N/µm | 18 N/µm | 35 N/µm | 35 N/µm | 64 N/µm | 64 N/µm | 110 N/µm | 110 N/µm | 204 N/µm | 204 N/µm | |
| Stiffness in Z | 26 N/µm | 26 N/µm | 96 N/µm | 96 N/µm | 96 N/µm | 96 N/µm | 210 N/µm | 210 N/µm | 385 N/µm | 385 N/µm | 788 N/µm | 788 N/µm | |
| Permissible push force in X | 57 N | 57 N | 115 N | 115 N | 229 N | 229 N | 344 N | 344 N | 577 N | 577 N | 1203 N | 1203 N | max. |
| Permissible push force in Y | 57 N | 57 N | 115 N | 115 N | 229 N | 229 N | 344 N | 344 N | 577 N | 577 N | 1203 N | 1203 N | max. |
| Permissible push force in Z | 134 N | 134 N | 536 N | 536 N | 536 N | 536 N | 1206 N | 1206 N | 2144 N | 2144 N | 4244 N | 4244 N | max. |
| Permissible pull force in X | 57 N | 57 N | 115 N | 115 N | 229 N | 229 N | 344 N | 344 N | 577 N | 577 N | 1203 N | 1203 N | max. |
| Permissible pull force in Y | 57 N | 57 N | 115 N | 115 N | 229 N | 229 N | 344 N | 344 N | 577 N | 577 N | 1203 N | 1203 N | max. |
| Permissible pull force in Z | 134 N | 134 N | 536 N | 536 N | 536 N | 536 N | 1206 N | 1206 N | 2144 N | 2144 N | 4244 N | 4244 N | max. |
| Permissible torque in θX | 0.57 N·m | 0.57 N·m | 1.7 N·m | 1.7 N·m | 4.52 N·m | 4.52 N·m | 22.6 N·m | 22.6 N·m | 39.6 N·m | 39.6 N·m | 141.3 N·m | 141.3 N·m | max. |
| Permissible torque in θY | 0.57 N·m | 0.57 N·m | 1.7 N·m | 1.7 N·m | 4.52 N·m | 4.52 N·m | 22.6 N·m | 22.6 N·m | 39.6 N·m | 39.6 N·m | 141.3 N·m | 141.3 N·m | max. |
| Moment of inertia in θZ, unloaded | 290 kg·mm² | 290 kg·mm² | 1530 kg·mm² | 1530 kg·mm² | 2450 kg·mm² | 2450 kg·mm² | 10450 kg·mm² | 10450 kg·mm² | 32240 kg·mm² | 32240 kg·mm² | 196020 kg·mm² | 196020 kg·mm² | ±20 % |
| Moved mass in θZ, unloaded | 400 g | 400 g | 1200 g | 1200 g | 1400 g | 1400 g | 3200 g | 3200 g | 6900 g | 6900 g | 21500 g | 21500 g | ±5 % |
| Bearing type | Air bearings with air preload | Air bearings with air preload | Air bearings with air preload | Air bearings with air preload | Air bearings with air preload | Air bearings with air preload | Air bearings with air preload | Air bearings with air preload | Air bearings with air preload | Air bearings with air preload | Air bearings with air preload | Air bearings with air preload | |
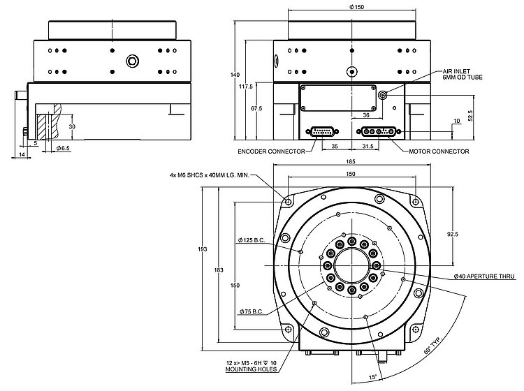
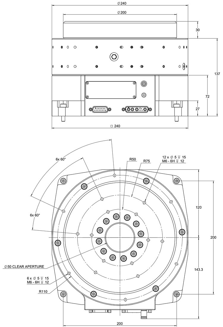
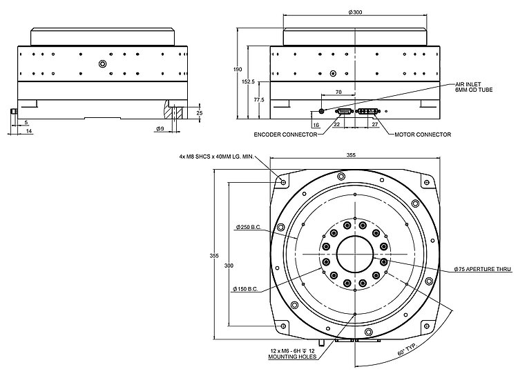
| Journal length | 25 mm | 25 mm | 25 mm | 25 mm | 50 mm | 50 mm | 50 mm | 50 mm | 65 mm | 65 mm | 75 mm | 75 mm | |
| Overall mass | 1200 g | 1200 g | 3100 g | 3100 g | 4500 g | 4500 g | 8600 g | 8600 g | 14000 g | 14000 g | 50000 g | 50000 g | ±5 % |
| Material | Aluminum, stainless steel | Aluminum, stainless steel | Aluminum, stainless steel | Aluminum, stainless steel | Aluminum, stainless steel | Aluminum, stainless steel | Aluminum, stainless steel | Aluminum, stainless steel | Aluminum, stainless steel | Aluminum, stainless steel | Aluminum, stainless steel | Aluminum, stainless steel | |
| Motion platform diameter | 50 mm | 50 mm | 100 mm | 100 mm | 100 mm | 100 mm | 150 mm | 150 mm | 200 mm | 200 mm | 300 mm | 300 mm | |
| Miscellaneous | A-621.025A1 | A-621.025B1 | A-623.025A1 | A-623.025B1 | A-623.050A1 | A-623.050B1 | A-624.050A1 | A-624.050B1 | A-625.065A1 | A-625.065B1 | A-627.075A1 | A-627.075B1 | Tolerance |
| Operating temperature range | 15 to 25 °C | 15 to 25 °C | 15 to 25 °C | 15 to 25 °C | 15 to 25 °C | 15 to 25 °C | 15 to 25 °C | 15 to 25 °C | 15 to 25 °C | 15 to 25 °C | 15 to 25 °C | 15 to 25 °C | |
| Connector | D-sub 9W4 (m) | D-sub 9W4 (m) | D-sub 9W4 (m) | D-sub 9W4 (m) | D-sub 9W4 (m) | D-sub 9W4 (m) | D-sub 9W4 (m) | D-sub 9W4 (m) | D-sub 9W4 (m) | D-sub 9W4 (m) | D-sub 9W4 (m) | D-sub 9W4 (m) | |
| Sensor connector | D-sub 15 (m) | D-sub 15 (m) | D-sub 15 (m) | D-sub 15 (m) | D-sub 15 (m) | D-sub 15 (m) | D-sub 15 (m) | D-sub 15 (m) | D-sub 15 (m) | D-sub 15 (m) | D-sub 15 (m) | D-sub 15 (m) | |
| Operating pressure | 515 to 585 kPa | 515 to 585 kPa | 515 to 585 kPa | 515 to 585 kPa | 515 to 585 kPa | 515 to 585 kPa | 515 to 585 kPa | 515 to 585 kPa | 515 to 585 kPa | 515 to 585 kPa | 515 to 585 kPa | 515 to 585 kPa | |
| Air consumption | 56 L/min | 56 L/min | 56 L/min | 56 L/min | 56 L/min | 56 L/min | 56 L/min | 56 L/min | 56 L/min | 56 L/min | 56 L/min | 56 L/min | max. |
| Air quality | Clean (filtered up to 1.0 µm or better) - ISO 8573–1 class 1 ǀ Oil free - ISO 8573–1 class 1 ǀ Dry (-15 °C dew point) - ISO 8573–1 class 3 | Clean (filtered up to 1.0 µm or better) - ISO 8573–1 class 1 ǀ Oil free - ISO 8573–1 class 1 ǀ Dry (-15 °C dew point) - ISO 8573–1 class 3 | Clean (filtered up to 1.0 µm or better) - ISO 8573–1 class 1 ǀ Oil free - ISO 8573–1 class 1 ǀ Dry (-15 °C dew point) - ISO 8573–1 class 3 | Clean (filtered up to 1.0 µm or better) - ISO 8573–1 class 1 ǀ Oil free - ISO 8573–1 class 1 ǀ Dry (-15 °C dew point) - ISO 8573–1 class 3 | Clean (filtered up to 1.0 µm or better) - ISO 8573–1 class 1 ǀ Oil free - ISO 8573–1 class 1 ǀ Dry (-15 °C dew point) - ISO 8573–1 class 3 | Clean (filtered up to 1.0 µm or better) - ISO 8573–1 class 1 ǀ Oil free - ISO 8573–1 class 1 ǀ Dry (-15 °C dew point) - ISO 8573–1 class 3 | Clean (filtered up to 1.0 µm or better) - ISO 8573–1 class 1 ǀ Oil free - ISO 8573–1 class 1 ǀ Dry (-15 °C dew point) - ISO 8573–1 class 3 | Clean (filtered up to 1.0 µm or better) - ISO 8573–1 class 1 ǀ Oil free - ISO 8573–1 class 1 ǀ Dry (-15 °C dew point) - ISO 8573–1 class 3 | Clean (filtered up to 1.0 µm or better) - ISO 8573–1 class 1 ǀ Oil free - ISO 8573–1 class 1 ǀ Dry (-15 °C dew point) - ISO 8573–1 class 3 | Clean (filtered up to 1.0 µm or better) - ISO 8573–1 class 1 ǀ Oil free - ISO 8573–1 class 1 ǀ Dry (-15 °C dew point) - ISO 8573–1 class 3 | Clean (filtered up to 1.0 µm or better) - ISO 8573–1 class 1 ǀ Oil free - ISO 8573–1 class 1 ǀ Dry (-15 °C dew point) - ISO 8573–1 class 3 | Clean (filtered up to 1.0 µm or better) - ISO 8573–1 class 1 ǀ Oil free - ISO 8573–1 class 1 ǀ Dry (-15 °C dew point) - ISO 8573–1 class 3 | |
| Recommended controllers/drivers | A-81x, A-82x | A-81x, A-82x | A-81x, A-82x | A-81x, A-82x | A-81x, A-82x | A-81x, A-82x | A-81x, A-82x | A-81x, A-82x | A-81x, A-82x | A-81x, A-82x | A-81x, A-82x | A-81x, A-82x |
At PI, technical data is specified at 22 ±3 °C. Unless otherwise stated, the values are for unloaded conditions. Some properties are interdependent. The designation "typ." indicates a statistical average for a property; it does not indicate a guaranteed value for every product supplied. During the final inspection of a product, only selected properties are analyzed, not all. Please note that some product characteristics may deteriorate with increasing operating time.
Downloads
Product Note
Product Change Notification A-xxx.*C1
Datasheet
Documentation
User Manual A-62x
User Manual A-62x
3D Models
A-62x 3-D model
White Paper
Air Bearings: When to Use and When to Avoid in Your Motion Application
All Positioning Stages are not Created Equal. Author: Matt Reck, PI
Ask for a free quote on quantities required, prices, and lead times or describe your desired modification.
PIglide RM rotation stage, air bearing, 50 mm motion platform diameter, 25 mm journal length, absolute angle-measuring system with BiSS-C signal transmission, 0.0015 µrad sensor resolution, slotless, brushless 3-phase torque motor
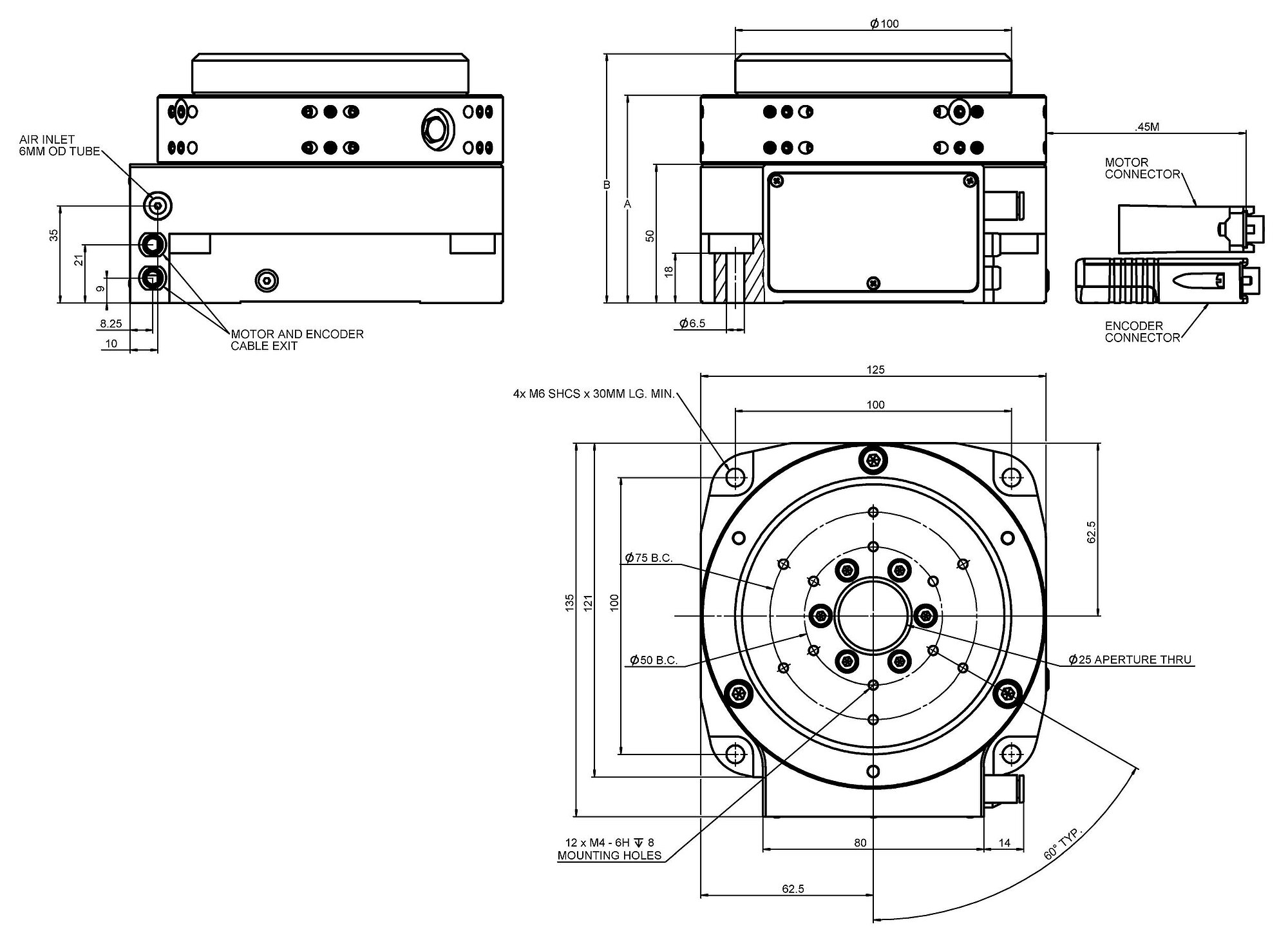
PIglide RM rotation stage, air bearing, 100 mm motion platform diameter, 25 mm journal length, incremental angle measuring system with sin/cos signal transmission, 15744 lines/revolution, slotless, brushless 3-phase torque motor
PIglide RM rotation stage, air bearing, 100 mm motion platform diameter, 25 mm journal length, absolute angle-measuring system with BiSS-C signal transmission, 0.0015 µrad sensor resolution, slotless, brushless 3-phase torque motor
PIglide RM rotation stage, air bearing, 100 mm motion platform diameter, 50 mm journal length, incremental angle measuring system with sin/cos signal transmission, 15744 lines/revolution, slotless, brushless 3-phase torque motor
PIglide RM rotation stage, air bearing, 100 mm motion platform diameter, 50 mm journal length, absolute angle-measuring system with BiSS-C signal transmission, 0.0015 µrad sensor resolution, slotless, brushless 3-phase torque motor
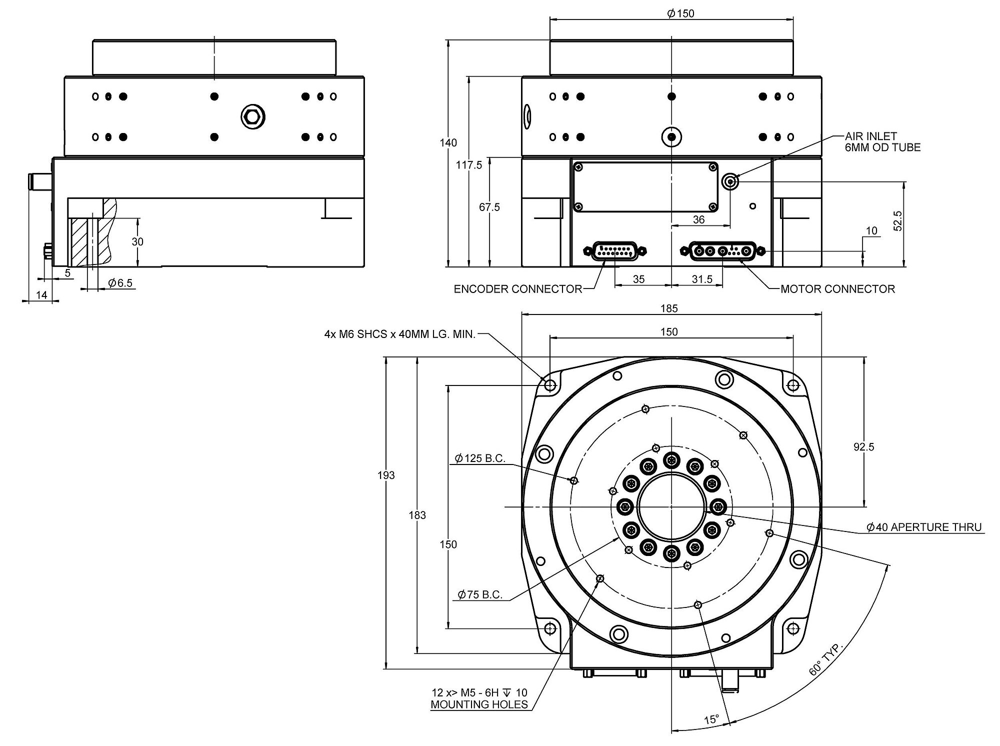
PIglide RM rotation stage, air bearing, 150 mm motion platform diameter, 50 mm journal length, incremental angle measuring system with sin/cos signal transmission, 23600 lines/revolution, slotless, brushless 3-phase torque motor
PIglide RM rotation stage, air bearing, 150 mm motion platform diameter, 50 mm journal length, absolute angle-measuring system with BiSS-C signal transmission, 0.0015 µrad sensor resolution, slotless, brushless 3-phase torque motor
PIglide RM rotation stage, air bearing, 200 mm motion platform diameter, 65 mm journal length, incremental angle measuring system with sin/cos signal transmission, 31488 lines/revolution, slotless, brushless 3-phase torque motor
PIglide RM rotation stage, air bearing, 200 mm motion platform diameter, 65 mm journal length, absolute angle-measuring system with BiSS-C signal transmission, 0.0015 µrad sensor resolution, slotless, brushless 3-phase torque motor
PIglide RM rotation stage, air bearing, 300 mm motion platform diameter, 75 mm journal length, incremental angle measuring system with sin/cos signal transmission, 47200 lines/revolution, slotless, brushless 3-phase torque motor
PIglide RM rotation stage, air bearing, 300 mm motion platform diameter, 75 mm journal length, absolute angle-measuring system with BiSS-C signal transmission, 0.0015 µrad sensor resolution, slotless, brushless 3-phase torque motor



























