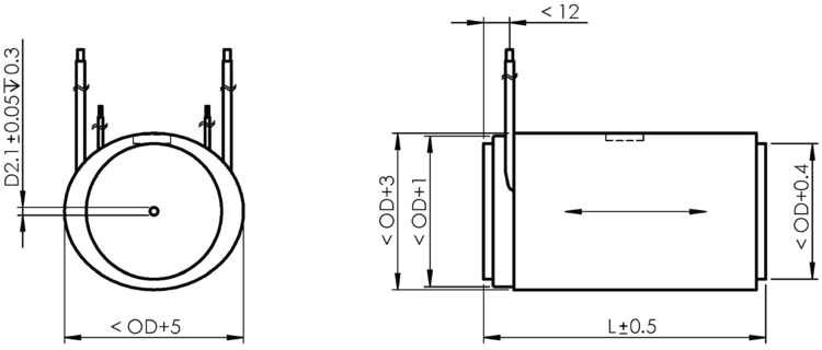
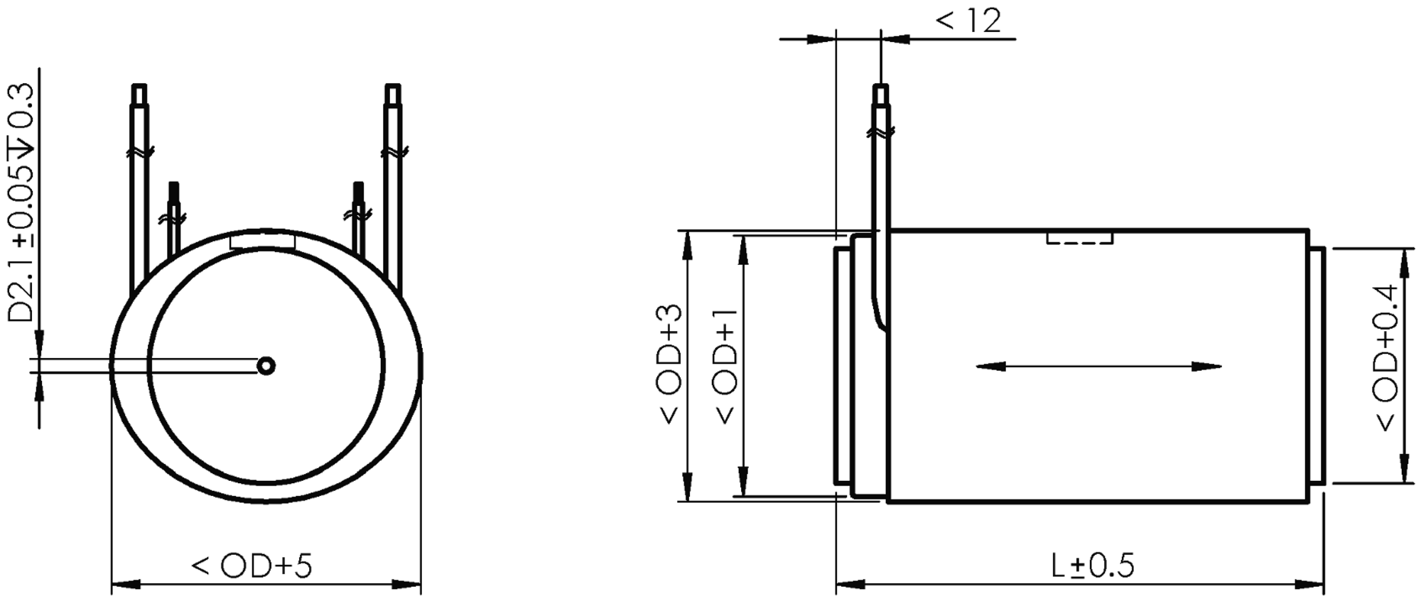
PICA Power piezo actuator, 5 µm travel range, OD 10 mm × L 9 mm
PICA Power Piezo Actuators
For High-Dynamics Applications
- Operating temperature up to 150 °C
- High operating frequencies
- High load capacity
- Force generation up to 70 kN



Stacked piezo linear actuator
Operating voltage 0 to 1000 V. Long lifetime without loss of performance. Large displacement, low electrical capacitance. Subnanometer resolution, microsecond response time. Integrated temperature sensor to prevent damage from overheating. Extreme reliability: >109 cycles.
Possible modifications
Bipolar control
Strain gauge sensors for positional stability
Piezoceramic material
Operating voltage range, displacement, layer thickness
Load capacity, force generation
Geometric shapes: rectangular, inner hole
Endpieces: flat, metal, ceramic, glass, sapphire, etc.
Integrated piezoelectric force detector layers
Operating temperature up to 200 °C
UHV-compatible to 10-9 hPa
Nonmagnetic versions
Reduced length tolerances
Application fields
Industry and research. For active vibration damping, precision mechanics and machining, active structures (adaptive systems technology)
Specifications
Specifications
| Travel range | Diameter OD | Length L | Blocking force | Stiffness | Electrical capacitance | Resonant frequency | |
|---|---|---|---|---|---|---|---|
| µm | mm | mm | N | N/µm | nF | kHz | |
| P-010.00P | 5 | 10 | 9 | 1200 | 240 | 17 | 129 |
| P-010.10P | 15 | 10 | 18 | 1800 | 120 | 46 | 64 |
| P-010.20P | 30 | 10 | 31 | 2100 | 68 | 90 | 37 |
| P-010.40P | 60 | 10 | 58 | 2200 | 37 | 180 | 20 |
| P-010.80P | 120 | 10 | 111 | 2300 | 19 | 370 | 10 |
| P-016.10P | 15 | 16 | 18 | 4500 | 300 | 130 | 64 |
| P-016.20P | 30 | 16 | 31 | 5400 | 180 | 250 | 37 |
| P-016.40P | 60 | 16 | 58 | 5600 | 94 | 510 | 20 |
| P-016.80P | 120 | 16 | 111 | 5900 | 49 | 1000 | 10 |
| P-016.90P | 180 | 16 | 163 | 6000 | 33 | 1600 | 7 |
| P-025.10P | 15 | 25 | 20 | 9900 | 660 | 320 | 58 |
| P-025.20P | 30 | 25 | 33 | 12000 | 400 | 630 | 35 |
| P-025.40P | 60 | 25 | 60 | 13000 | 220 | 1300 | 19 |
| P-025.80P | 120 | 25 | 113 | 14000 | 120 | 2600 | 10 |
| P-025.90P | 180 | 25 | 165 | 14000 | 80 | 4000 | 7 |
| P-035.10P | 15 | 35 | 21 | 18000 | 1200 | 530 | 55 |
| P-035.20P | 30 | 35 | 34 | 23000 | 760 | 1200 | 34 |
| P-035.40P | 60 | 35 | 61 | 26000 | 430 | 2500 | 19 |
| P-035.80P | 120 | 35 | 114 | 28000 | 230 | 5200 | 10 |
| P-035.90P | 180 | 35 | 166 | 29000 | 160 | 7800 | 7 |
| P-045.20P | 30 | 45 | 36 | 36000 | 1200 | 2100 | 32 |
| P-045.40P | 60 | 45 | 63 | 41000 | 680 | 4300 | 18 |
| P-045.80P | 120 | 45 | 116 | 44000 | 370 | 8800 | 10 |
| P-045.90P | 180 | 45 | 169 | 45000 | 250 | 13000 | 7 |
| P-056.20P | 30 | 56 | 36 | 54000 | 1800 | 3300 | 32 |
| P-056.40P | 60 | 56 | 63 | 66000 | 1100 | 6700 | 18 |
| P-056.80P | 120 | 56 | 116 | 68000 | 570 | 14000 | 10 |
| P-056.90P | 180 | 56 | 169 | 70000 | 390 | 21000 | 7 |
Travel range: at 0 to 1000 V, tolerance -10/20 %
Length L: tolerance ±0.5 mm
Blocking force: at 0 to 1000 V
Electrical capacitance: measured at 1 V, 1 kHz, RT, tolerance ±20 %
Resonant frequency: measured at 1 V, unloaded, unclamped. The value is halved for unilateral clamping.
Piezoceramics: PIC255
Standard connections: FEP-insulated connecting wires, 100 mm, AWG 24, Ø 1.15 mm
Operating voltage range: 0 V to 1000 V
Operating temperature range: -20 to 150 °C
Standard tips: steel plates, 0.5 to 2 mm thick (depends on model)
Lateral surface: transparent FEP shrink tube
Recommended preload for dynamic operation: 15 MPa
Maximum preload for constant force: 30 MPa
Temperature sensor: PT 1000
Custom versions or different specifications are available on request.
Downloads
Datasheet
Documentation
User Manual PZ138
PICA Piezo Actuators: P-007, P-010, P-016, P-025, P-035, P-045, P-050, P-056 PICA Stack/Power/Thru Customized Products
Ask for a free quote on quantities required, prices, and lead times or describe your desired modification.
PICA Power piezo actuator, 15 µm travel range, OD 10 mm × L 18 mm
PICA Power piezo actuator, 30 µm travel range, OD 10 mm × L 31 mm
PICA Power piezo actuator, 60 µm travel range, OD 10 mm × L 58 mm
PICA Power piezo actuator, 120 µm travel range, OD 10 mm × L 111 mm
PICA Power piezo actuator, 15 µm travel range, OD 16 mm × L 18 mm
PICA Power piezo actuator, 30 µm travel range, OD 16 mm × L 31 mm
PICA Power piezo actuator, 60 µm travel range, OD 16 mm × L 58 mm
PICA Power piezo actuator, 120 µm travel range, OD 16 mm × L 111 mm
PICA Power piezo actuator, 180 µm travel range, OD 16 mm × L 163 mm
PICA Power piezo actuator, 15 µm travel range, OD 25 mm × L 20 mm
PICA Power piezo actuator, 30 µm travel range, OD 25 mm × L 33 mm
PICA Power piezo actuator, 60 µm travel range, OD 25 mm × L 60 mm
PICA Power piezo actuator, 120 µm travel range, OD 25 mm × L 113 mm
PICA Power piezo actuator, 180 µm travel range, OD 25 mm × L 165 mm
PICA Power piezo actuator, 15 µm travel range, OD 35 mm × L 21 mm
PICA Power piezo actuator, 30 µm travel range, OD 35 mm × L 34 mm
PICA Power piezo actuator, 60 µm travel range, OD 35 mm × L 61 mm
PICA Power piezo actuator, 120 µm travel range, OD 35 mm × L 114 mm
PICA Power piezo actuator, 180 µm travel range, OD 35 mm × L 166 mm
PICA Power piezo actuator, 30 µm travel range, OD 45 mm × L 36 mm
PICA Power piezo actuator, 60 µm travel range, OD 45 mm × L 63 mm
PICA Power piezo actuator, 120 µm travel range, OD 45 mm × L 116 mm
PICA Power piezo actuator, 180 µm travel range, OD 45 mm × L 169 mm
PICA Power piezo actuator, 30 µm travel range, OD 56 mm × L 36 mm
PICA Power piezo actuator, 60 µm travel range, OD 56 mm × L 63 mm
PICA Power piezo actuator, 120 µm travel range, OD 56 mm × L 116 mm
PICA Power piezo actuator, 180 µm travel range, OD 56 mm × L 169 mm











