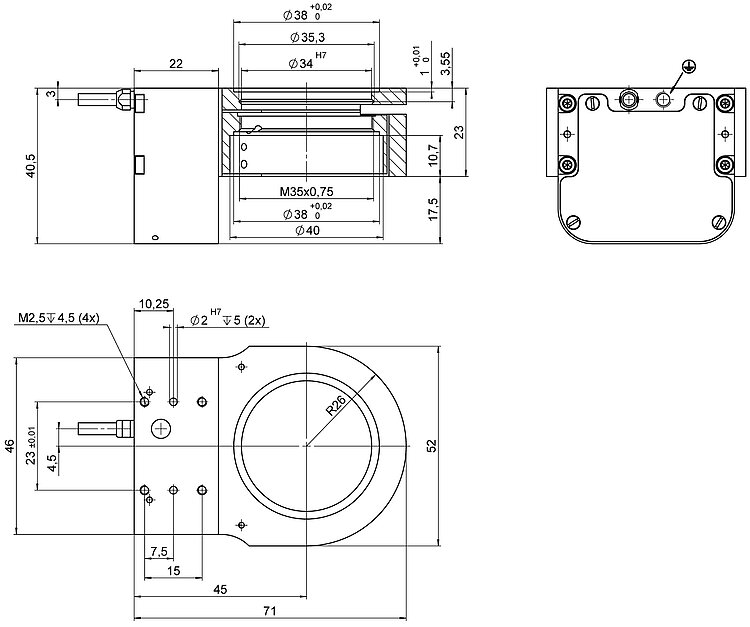
High-dynamics PIFOC piezo scanner; 18 µm travel range; capacitive, direct position measuring; D-sub 7W2 (m); 1.5 m cable length
P-725.CDD PIFOC High Dynamics Piezo Scanner
Nanopositioner and Scanner for Microscope Objectives
- Shortest settling time under 5 ms with microscope objective
- Travel range 18 µm
- Fine positioning of objectives with sub-nm resolution
- Minimum objective shift due to parallel flexure guiding
- Highest linearity due to direct measuring technology with capacitive sensors
- Outstanding lifetime due to PICMA® piezo actuators
- QuickLock adapter for easy installation
Application fields
- Super-resolution microscopy
- Light disk microscopy
- Confocal microscopy
- 3-D imaging
- Screening
- Interferometry
- Measuring technology
- Autofocus systems
- Biotechnology
- Semiconductor tests
Outstanding lifetime thanks to PICMA® piezo actuators
The PICMA® piezo actuators are all-ceramic insulated. This protects them against humidity and failure resulting from an increase in leakage current. PICMA® actuators offer an up to ten times longer lifetime than conventional polymer-insulated actuators. 100 billion cycles without a single failure are proven.
Subnanometer resolution with capacitive sensors
Capacitive sensors measure with subnanometer resolution without contacting. They guarantee excellent linearity of motion, long-term stability, and a bandwidth in the kHz range.
High guiding accuracy due to zero-play flexure guides
Flexure guides are free of maintenance, friction, and wear, and do not require lubrication. Their stiffness allows high load capacity and they are insensitive to shock and vibration. They work in a wide temperature range.
Automatic configuration and fast component exchange
Mechanics and controllers can be combined as required and exchanged quickly. All servo and linearization parameters are stored in the ID chip of the D-sub connector of the mechanics. The autocalibration function of the digital controllers uses this data each time the controller is switched on.
Maximum accuracy due to direct position measuring
Motion is measured directly at the motion platform without any influence from the drive or guide elements. This allows optimum repeatability, outstanding stability, and stiff, fast-responding control.
Specifications
Specifications
| Motion | P-725.CDD | Tolerance |
|---|---|---|
| Active axes | Z | |
| Travel range in Z | 18 µm | |
| Travel range in Z, open loop | 18 µm | ±20 % |
| Linearity error in Z | 0.05 % | typ. |
| Flatness (Linear crosstalk in X with motion in Z) | 150 nm | typ. |
| Straightness (Linear crosstalk in Y with motion in Z) | 150 nm | typ. |
| Yaw (Rotational crosstalk in θX with motion in Z) | 2 µrad | typ. |
| Pitch (Rotational crosstalk in θY with motion in Z) | 2 µrad | typ. |
| Positioning | P-725.CDD | Tolerance |
| Bidirectional repeatability in Z | 3 nm | typ. |
| Resolution in Z, open loop | 0.2 nm | typ. |
| Integrated sensor | Capacitive, direct position measuring | |
| System resolution in Z | 0.2 nm | |
| Drive Properties | P-725.CDD | Tolerance |
| Drive type | PICMA® | |
| Electrical capacitance in Z | 3.1 µF | ±20 % |
| Mechanical Properties | P-725.CDD | Tolerance |
| Stiffness in Z | 1.5 N/µm | ±20 % |
| Resonant frequency in Z, unloaded | 1180 Hz | ±20 % |
| Resonant frequency in Z, under load with 200 g | 450 Hz | ±20 % |
| Permissible push force in Z | 100 N | max. |
| Permissible pull force in Z | 20 N | max. |
| Guide | Flexure guide with direct drive | |
| Overall mass | 210 g | |
| Material | Aluminum | |
| Miscellaneous | P-725.CDD | Tolerance |
| Operating temperature range | -20 to 80 °C | |
| ID chip | Yes | |
| Connector | D-sub 7W2 (m) | |
| Cable length | 1.5 m | |
| Recommended controllers / drivers | E-610, E-625, E-709.1C1L, E-754 |
With analog controllers, the typical linearity error for direct drive positioners can be up to 0.1 %.
The resolution of the system is limited only by the noise of the amplifier and the measuring technology because PI piezo nanopositioning systems are free of friction.
Downloads
Product Note
Datasheet
Documentation
User Manual P725T0010
P-725.xxx PIFOC Objective Scanners
Installation Instructions P721T0002
P-721 Thread Adapters for P-721 / P-725.xxx PIFOC Objective Scanners
3D Models
P-725.xDD 3-D model
Ask for a free quote on quantities required, prices, and lead times or describe your desired modification.
견적 요청 방법
Ask an engineer!
Quickly receive an answer to your question by email or phone from a local PI sales engineer.
기술

PICMA® Technology
Highly reliable and extended lifetime through the patented manufacturing process for multilayer actuators.

Flexure Guiding Systems
Flexure guides from PI have proven their worth in nanopositioning. They guide the piezo actuator and ensure a straight motion without tilting or lateral offset.

Digital Motion Controllers
Digital technology opens up possibilities for improving performance in control engineering which do not exist with conventional analog technology.

Capacitive Sensors
Capacitive sensors are the metrology system of choice for the most demanding nanopositioning applications.















