PIFOC objective scanning system 2000 µm; NEXACT® piezo walking drive; 2000 µm travel range; incremental linear encoder; 0.5 nm resolution; M32 QuickLock adapter; with controller
ND72Z2LAQ PIFOC Objective Scanning System 2000 µm
Nanometer Resolution and Fast Step-and-Settle
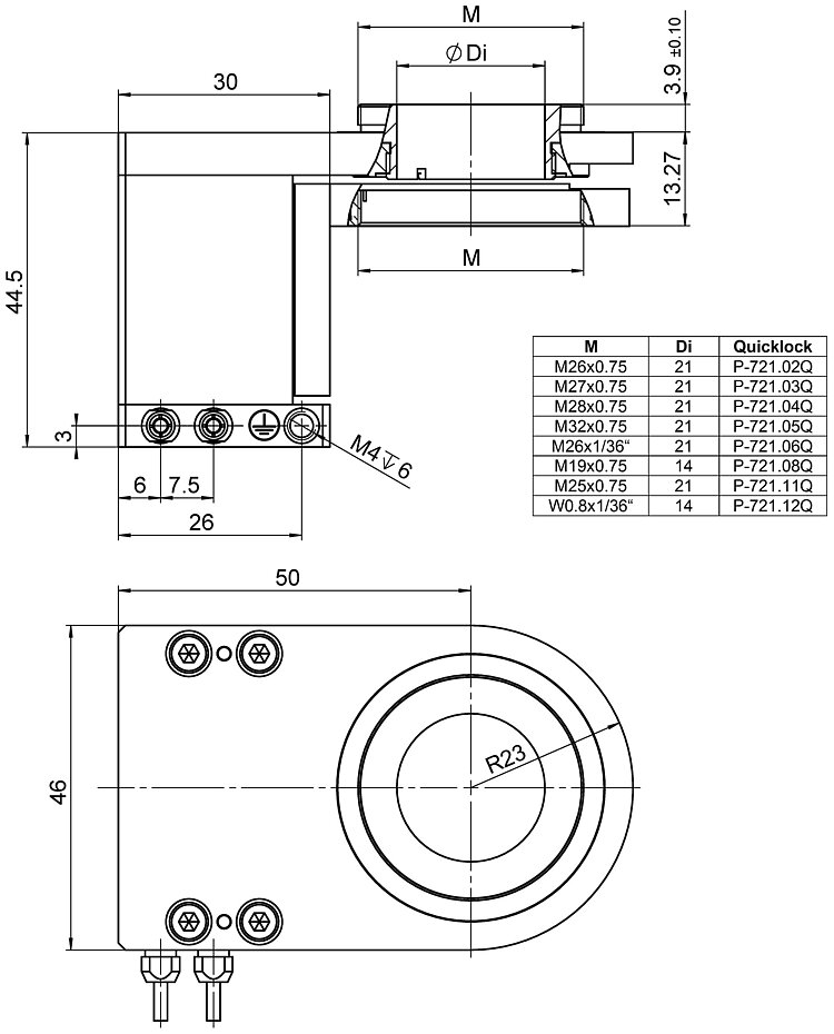
- Complete system with digital controller, software, and M32 QuickLock thread adapter
- USB, RS-232
- Sensor resolution 0.5 nm
- Highly dynamic step-and-settle for Z stacks
- Further thread adapters as optional accessory
- Compatible with µManager, MetaMorph, and MATLAB
- Parameter changing during operation
Application fields
- Two-photon microscopy
- Confocal microscopy
- 3-D imaging
- Laser technology
- Interferometry
- Biotechnology
- Micromanipulation
- Autofocus for long travel ranges
Nanometer precision and high feed force with PiezoWalk® walking drives
Several piezo actuators perform a walking motion in the PiezoWalk® walking drive that leads to forward feed of a runner. Control of the actuators allows the smallest step and forward feed motion at a resolution of well under one nanometer.
Highly accurate position measuring with incremental linear encoder
Noncontact optical encoders measure the position directly at the platform with the greatest accuracy. Nonlinearity, mechanical play or elastic deformation have no influence on the measurement.
Extensive software for rapid start of productive operation
Thanks to support of MATLAB and NI LabVIEW as well as all common operating systems (Windows, Linux, and macOS), integration succeeds in virtually every environment – quickly and efficiently. Sophisticated programming examples and software tools such as PIMikroMove shorten the time to productive operation considerably.
Specifications
Specifications
| Motion | ND72Z2LAQ | Tolerance |
|---|---|---|
| Active axes | Z | |
| Travel range in Z | 2000 µm | |
| Positioning | ND72Z2LAQ | Tolerance |
| Integrated sensor | Incremental linear encoder | |
| Minimum incremental motion in Z, closed-loop, fine positioning | 5 nm | |
| Step-and-settle time for a 3 µm step at 200 g payload, 100 nm settling band | < 20 ms | |
| Drive Properties | ND72Z2LAQ | Tolerance |
| Drive type | NEXACT® piezo walking drive | |
| Mechanical Properties | ND72Z2LAQ | Tolerance |
| Permissible push force in Z | 10 N | max. |
| Permissible pull force in Z | 10 N | max. |
| Overall mass | 290 g | ±5 % |
| Material | Aluminum | |
| Miscellaneous | ND72Z2LAQ | Tolerance |
| Operating temperature range | 15 to 40 °C | |
| Drive connector | HD D-sub 15 (m) | |
| Sensor connector | HD D-sub 15 (f) | |
| Cable length | 1.5 m | +50 / -0 mm |
| Controller | ND72Z2LAQ | Tolerance |
| Controller type | E-861 (included in the scope of delivery) | |
| Application-related functions | Makro ǀ Data recorder | |
| Motion types | Wave generator | |
| Communication interfaces | RS-232 ǀ USB | |
| Command set | GCS 2.0 | |
| User software | PIMikroMove | |
| Software - APIs | Dynamic library for PI General Command Set (GCS) ǀ C, C++, C# ǀ MATLAB ǀ NI LabView | |
| I/O lines | 4× digital input (TTL, programmable), 4× digital output (TTL, programmable) | |
| Controller's dimensions | 160 mm × 96 mm × 33 mm | |
| Integration with third-party solutions | MetaMorph ǀ µManager |
Permissible push / full force in Z: The recommended load for dynamic operation is 700 g (max.). Higher dynamics are possible with a reduced load.
Sensor connector: With N664B0001 adapter, D-sub 15 (m) to HD D-sub 15 (f) (in the scope of delivery).
The resolution of the system is limited only by the noise of the amplifier and the measuring technology because PI piezo nanopositioning systems are free of friction.
At PI, technical data is specified at 22 ±3 °C. Unless otherwise stated, the values are for unloaded conditions. Some properties are interdependent. The designation "typ." indicates a statistical average for a property; it does not indicate a guaranteed value for every product supplied. During the final inspection of a product, only selected properties are analyzed, not all. Please note that some product characteristics may deteriorate with increasing operating time.
Downloads
Product Note
Product Change Notification Motor Driven Products
Datasheet
Documentation
Installation Instructions P721T0002
P-721 Thread Adapters for P-721 / P-725.xxx PIFOC Objective Scanners
User Manual N725T0002
N-725.2A PIFOC Z Drive with NEXACT® Linear Motor
3D Models
3-D-model P-721.1xx
3-D-model ND72Z2LAQ
Ask for a free quote on quantities required, prices, and lead times or describe your desired modification.
견적 요청 방법
Ask an engineer!
Quickly receive an answer to your question by email or phone from a local PI sales engineer.
기술

PiezoWalk® Walking Drives
PiezoWalk® drives were developed more than 10 years ago for the semiconductor industry, a demanding industry when it comes to reliability, position resolution and long-term stability.

Incremental Sensors
PI uses incremental measurement systems for longer travel ranges, starting from approximately one millimeter. These sensors, which in most cases are optical sensors, achieve position resolution down to the picometer range.








