High-load precision Z stage; ironless 3-phase linear motor; 203 mm width; 5 mm travel range; 100 N load capacity; 20 mm/s maximum velocity; incremental linear encoder, 20 µm sensor signal period, sin/cos, 1 V peak-peak
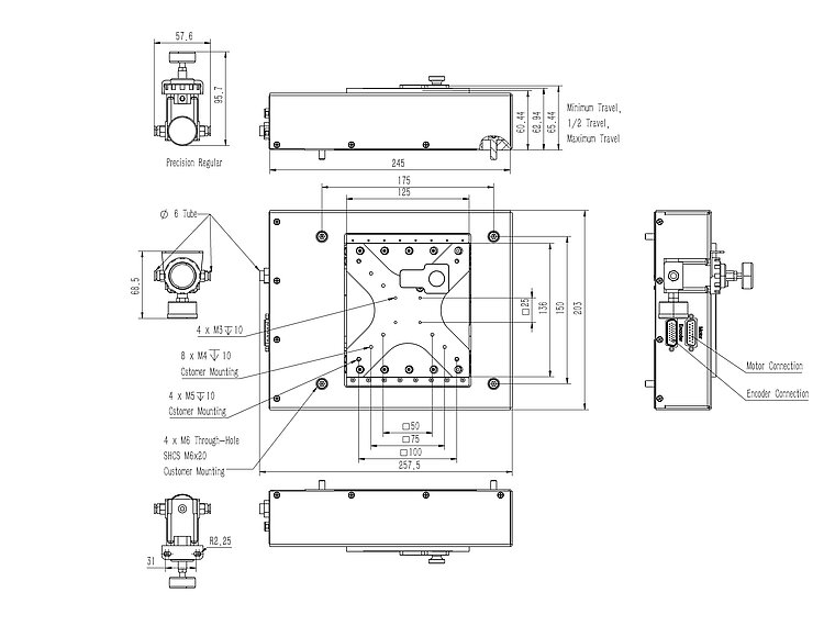
V-Z02 High-Load Precision Z Stage
High Performance and Cost Efficiency, Linear Motor Drive, High Dynamics
- Travel range to 5 mm
- Linear encoder
- Load capacity to 100 N
- Integral pneumatic counterbalance
Precision-class Z stage
Extremely accurate and reliable positioning. Anti-creep crossed roller guides for smooth feed at high loads.
Linear motor direct drive
3-phase magnetic direct drives do not use mechanical components in the drivetrain, they transmit the drive force to the motion platform directly and without friction. The drives reach high velocities and accelerations. Ironless motors are particularly suitable for positioning tasks with the highest demands on precision because there is no undesirable interaction with the permanent magnets. This allows smooth running even at the lowest velocities and at the same time, there is no vibration at high velocities.
Highly accurate position measuring with incremental linear encoder
Noncontact option encoders measure the position directly at the platform with greatest accuracy. Nonlinearity, mechanical play or elastic deformation have no influence on the measurement.
Weight counterbalance
Integrated with pneumatic counterbalance which can reach up to 100 N.
Application fields
Industry and research, e.g.. Semiconductor inspection. Highly dynamic application in precision automation.
Specifications
Specifications
| Motion | V-Z02.016211E0 | Tolerance |
|---|---|---|
| Active axes | Z | |
| Travel range in Z | 5 mm | |
| Maximum velocity in Z, unloaded | 20 mm/s | |
| Flatness (Linear crosstalk in X with motion in Z) | ± 1.5 µm | typ. |
| Straightness (Linear crosstalk in Y with motion in Z) | ± 2 µm | typ. |
| Yaw (Rotational crosstalk in θX with motion in Z) | ± 18 µrad | typ. |
| Pitch (Rotational crosstalk in θY with motion in Z) | ± 45 µrad | typ. |
| Positioning | V-Z02.016211E0 | Tolerance |
| Minimum incremental motion in Z | 0.05 µm | typ. |
| Positioning accuracy in Z, calibrated | ± 0.3 µm | typ. |
| Bidirectional repeatability in Z | 0.4 µm | typ. |
| Integrated sensor | Incremental linear encoder | |
| Sensor signal | Sin/cos, 1 V peak-peak | |
| Sensor signal period | 20 µm | |
| System resolution in Z | 0.2 nm | |
| Drive Properties | V-Z02.016211E0 | Tolerance |
| Drive type | Ironless 3-phase linear motor | |
| Nominal voltage | 48 V | |
| Nominal current, RMS | 3.2 A | typ. |
| Peak current, RMS | 7.3 A | typ. |
| Drive force in Z | 40 N | typ. |
| Peak force in Z | 90 N | |
| Force constant | 12.4 N/A | |
| Motor constant | 29 N/√W | typ. |
| Time constant | 0.36 ms | |
| Resistance phase-phase | 1.8 Ω | typ. |
| Inductance phase-phase | 0.62 mH | |
| Back EMF phase-phase | 10.1 V·s/m | max. |
| Pole pitch N-N | 24 mm | |
| Power dissipation of the coil with 100 % duty cycle | 70 W | |
| Mechanical Properties | V-Z02.016211E0 | Tolerance |
| Permissible push force in Z | 100 N | max. |
| Guide | Crossed roller guide | |
| Overall mass | 4400 g | |
| Material | Aluminum, black anodized; stainless steel | |
| Miscellaneous | V-Z02.016211E0 | Tolerance |
| Operating temperature range | 5 to 40 °C | |
| Connector | HD D-sub 26 (m) | |
| Sensor connector | D-sub 15 (m) | |
| Recommended controllers / drivers | S-C02-2CST, S-C02-2CSC, G-910.RC0242200, ACS modular controller |
At PI, technical data is specified at 22 ±3 °C. Unless otherwise stated, the values are for unloaded conditions. Some properties are interdependent. The designation "typ." indicates a statistical average for a property; it does not indicate a guaranteed value for every product supplied. During the final inspection of a product, only selected properties are analyzed, not all. Please note that some product characteristics may deteriorate with increasing operating time.
Ask for a free quote on quantities required, prices, and lead times or describe your desired modification.







